点上方蓝字可关注 微信号:装修33天
▲ 建筑面积113平,本案设计充分利用不规整的零碎空间,采用现代美式混搭风,呈现最合理舒适的环境
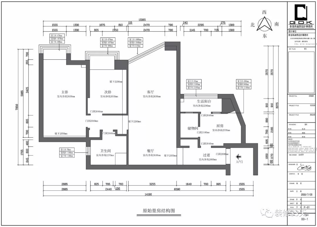
▲ 平面结构图
▲ 平面布置图
▲ 客厅整体是典雅精致的品质彰显,冷灰色的墙面,用米色的沙发来调和色调,吊顶的线条层次让顶面简而精
▲ 背景墙则加入欧式几何形石膏线的拼贴,横向空间较大,主沙发加两个单人沙发,让休闲区的空间饱满
▲ 餐厅,实用整洁的合理布局,侧墙加一套酒柜,背景墙则直接用装饰画来做简单装饰,让空间更加实用
▲ 金属色调的融入,透明异形吊灯,增加餐厅的整体质感
▲ 餐厅望向客厅视角
▲ 厨房,为扩大空间的使用面积,做墙体拆除,将异形空间化零为整,增加利用率也方便活动
▲ 灰色调厨房与生活阳台采用玻璃框架移门增加采光,整墙置顶橱柜纳入大型厨房电器
▲ 儿童房,整屋以粉色系为主调,用不同的粉来缓解视疲劳,让空间更有层次
▲ 榻榻米连接衣柜,增强收纳功能,墙角一侧暂做帐帘「试衣间」与黑板,此空间也是预留书桌的位置
▲ 主卧,地面通铺偏冷色系木地板,极简顶面配灰色墙面,床背景延续公领域墙面设计,用线条与装饰画修饰
▲ 在主卧的阳台旁特意将床头柜替换成梳妆台,这里光线充足
▲ 主卧入门处做整墙的多门衣柜,打造一个简易的「衣帽间」
▲ 卫生间主体为浅色调,大理石纹瓷砖搭配白色柜门,拆除原先浴缸选择淋浴,并用玻璃门做隔断,将卫生间干湿分离
设计 | 香港高迪愙设计事务所(北京)
微信:15010642960
电话:010-53635019
后台回复「高迪愙」可以看更多作品
媒体转载请注明装修33天并保留设计师联系方式
欢迎业主、设计师、装修公司免费投稿照片
装修33天商务合作微信:king194316
松爷店铺掌柜微信:yejia1702
香港高迪愙设计事务所其他作品推荐,点击下图查看这户型太绝了,给设计点赞
实用装修指南
装修33天 🏡 实用装修指南
喜欢我们的文章就随手转发到您朋友圈吧