微信号 QCDZSJ
功能介绍 2023在芝能汽车,紧跟技术创新,助力行业发展。
编者荐语:
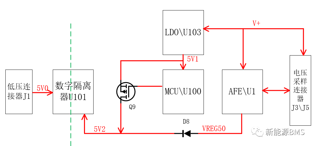
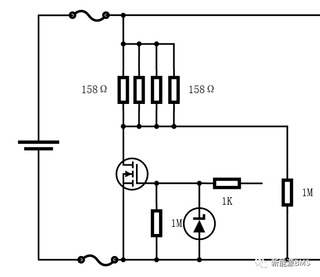
把胡兄的下篇转载完
以下文章来源于新能源BMS ,作者胡摇扇
新能源汽车、储能BMS相关知识探讨与分享 ,每周更新
微信扫一扫关注该公众号