该项目是全国首例超高层住宅拆除剪力墙改变户型的实际案例,由广州容柏生建筑结构设计事务所(普通合伙)设计以及配合施工完成。结构改建采用局部钢框架体系及基于相互约束条件的分段、同步拆、建施工方案。现主体结构已完工,施工期间遭遇两次强台风“山竹”、“天鸽”正面袭击,台风最大风力达16级,主体结构保持完好,无开裂,满足预设目标。为了深入探索本项目的设计和施工相关内容,《建筑结构》杂志社小编特别邀请了该项目结构技术负责人,广州容柏生建筑工程设计咨询有限公司副总经理陈招智,就大家关心的问题进行了线上专访。《建筑结构》:该超高层住宅拆除剪力墙改变户型的项目背景是什么呢?该项目建好后为什么又要改变户型呢?
陈招智:该项目的地理资源优越,背山面海,一线海景。简单一点说吧,改变户型就是为了客厅大一点,朝海、朝山的景观面大一点,充分利用上自身的地理资源,不浪费这片土地。关于改建的意义,我理解是这样的,改造可以延长建筑的生命周期,可以适应人们对生活品质提高的需求,可以避免那种动不动全拆、重建的方式而造成的资源浪费,这也是项目决定改变户型的原因。
《建筑结构》:该项目采用局部钢结构体系是否会影响住宅项目使用品质?
陈招智:采用传统的钢结构做法,是会影响住宅使用品质的,这也是住宅建筑较少采用钢结构的原因之一。构件选型对住宅品质的影响,我理解为以下几方面:一、耐久性方面,钢结构容易生锈,防火涂料容易脱落且需要定期维护;二、使用者的视觉感受及使用习惯上,钢构件与厂房、公建类等建筑会有直觉联想;三、钢构件表面不能打钉、钻孔,吊挂生活物品,影响使用。考虑上面几点,我们对钢构件外表面,设置了一定厚度的现浇高强钢筋混凝土面层作为钢构防火层,解决了上述耐久性、视觉感受及使用等方面的问题。《建筑结构》:项目拆除剪力墙后采用了增加不落地钢柱,形成多榀框架的方式补偿结构刚度,为何此钢柱基本不受竖向力?另外该柱在抗震构件性能分类中充当什么角色?
陈招智:这个主要是跟施工顺序有关,一般项目都是从底到顶逐层向上施工的,施工过程结构会逐层形成刚度,逐层加载,是一个不断迭代加载的受力过程,即使结构柱不落地,也会产生竖向力。而本项目由于拆除剪力墙的需要,施工顺序是逆向的,需要从顶到底逐层拆除、逐层施工,这样一来,相应钢柱的轴向刚度始终由于下层是悬空的,而没有形成有效轴向刚度,因此几乎不承受结构自重产生的竖向力。关于该柱抗震性能分类,正因该柱已经基本不受竖向力了,也即该柱是否存在都不会改变结构竖向传力体系,其受力更类似于抗侧的水平构件,仅当出现水平位移时,会产生抗力,因此我们定义其性能为耗能构件,同一般框架梁。《建筑结构》:钢梁与已建混凝土结构采用铰接构造,能保证住宅使用阶段的裂缝满足使用要求吗?
陈招智:钢-混凝土组合钢梁与混凝土结构连接采用铰接的设计及构造,是规范及实际项目的成熟做法。由于钢结构多用于公建类项目,所以少有人提及铰接位置的裂缝问题。但是对于住宅建筑,由于使用品质的需求,裂缝影响是不可以忽略的。铰接构造的抗裂主要来源于楼板,对节点区楼板配筋以及钢梁与保留钢筋的连接进行加强对控制节点裂缝起关键作用。项目设计中,我们不仅考虑了正常使用阶段,还同时考虑50年一遇风荷载工况的结构裂缝影响。为此进行了1:1节点构件试验,考察并得出裂缝与荷载之间关系,在采取了适当加强措施后,即使在50年一遇的台风工况下,裂缝宽度依然能满足使用要求。《建筑结构》:项目施工过程中采用了什么监测方法或措施,以保证施工阶段安全提前预警?
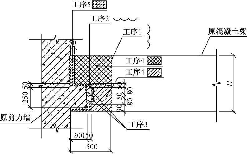
陈招智:本项目施工阶段安全很重要!利用监测手段确保施工过程的结构状态能提前预警是监测的主要目的。针对剪力墙拆改施工过程的结构受力特点,采取了一套集相邻剪力墙侧向形变、结构应变、振动、建筑顶点位移等为多维一体的全时域远程无线智能综合监测方案,可实时捕捉结构状态,应变、形变、振动等监测数据和实现快速预警。通过陈招智副总经理的解答,我们对该已建超高层建筑拆除剪力墙项目的结构设计和施工思路有了初步了解。接下来具体介绍该项目的技术亮点内容。项目位于广东省,临近海边,结构抗震设防烈度为7度,设计基本地震加速度为0.10g,地震设计分组为第一组,50年重现期基本风压0.8kN/m2,地面粗糙度类别为B类,体型系数为1.4。以下以7#楼为例,对改建结构设计及施工技术进行简要介绍。基本思路:拆除4片影响使用的剪力墙,按改建后户型新增4片剪力墙。存在问题:结合剪力墙的拆、建施工顺序与结构受力关系,新增剪力墙需自下而上施工,拆除剪力墙需自上而下施工,无论采取何种施工顺序,均无法确保结构稳定,安全隐患大,难以实现。基本思路:拆除4片影响使用的剪力墙,被拆除墙及其受力相关范围采用钢框架,与原结构组成混合结构体系。1)钢梁可轻松实现12m跨的需求,无需增加竖向支撑,楼层自上而下地拆除与楼层钢结构可以同步施工。2)仅拆除4片剪力墙,不另外增加剪力墙,从施工角度,可以自上而下逐层拆除,逐层恢复,施工可行;从结构角度,结构侧刚及构件承载力需要采取补偿措施。综合两方案对比后,该项目采用钢结构改建方案,并对其做更进一步的可行性分析与研究。X向刚度补偿分析:原结构X向剪力墙少,框架抗侧贡献大,属于框架剪力墙结构。改建仅拆除Y向的剪力墙,X向刚度的减小源于X向框架榀数的减少。X向采用在砖墙转角的位置设置钢柱与X向钢梁形成空间空腹钢桁架。钢梁无须增加竖向支撑点,因此钢柱不落地,仅至3层,且无须转换。Y向刚度补偿分析:原结构Y向主抗侧力贡献源于中部Y向布置的剪力墙区域。Y向采用在抗侧力主贡献区外围设置增大截面端柱或者剪力墙的方案。上述刚度补偿方案有以下特点:1)由于自上而下施工,底部钢柱的轴压比仅为0.01,钢柱为非承重构件;2)钢梁与混凝土墙、柱按铰接连接,钢柱与钢梁按刚接连接,钢柱与钢梁形成的空腹钢桁架参与抗侧受力,提升整体结构抗侧刚度;3)钢梁与原结构墙、柱铰接连接,构造简单;增大截面端柱以及剪力墙均在建筑外围设置,施工便利。4)设置钢柱后的构件内力变化以及在不同刚度补偿措施下的刚度对比。▲ 设置钢柱及未设置钢柱时同榀框架梁、柱弯矩分布示意图风荷载作用下不同刚度补偿措施时结构的最大层间位移角钢梁与主体结构混凝土柱、剪力墙连接节点采用高强混凝土过渡段作为连接锚固体,避免对原主体结构的大量植筋,减少结构损伤,提高施工质量保证率,具体做法:1)保留和利用原混凝土框架梁的纵筋,避免大量植筋对主体结构的损伤;2)钢梁与混凝土墙、柱之间设置高强混凝土过渡段,过渡段范围内保留原框架梁纵筋,钢梁锚板锚筋与混凝土梁头保留纵筋在过渡段进行锚固;3)钢梁采用外包钢筋混凝土为防火层,外包混凝土完成面与节点区完成面平。构件平面拆除顺序:楼板→次梁→主梁→剪力墙,采用了碟片切割机、链条切割机及水钻钻孔机等设备,保留钢筋范围采用小型冲击钻设备。
楼板新旧混凝土交接位置,采用凹凸打凿及保留钢筋的方式,提高楼板连接处水平力传递可靠度;混凝土梁头采用梯级打凿的方式,提高竖向剪力传递的可靠度。为保护钢梁连接的混凝土梁梁头完整性,避免打凿过程对原结构损伤,采取了以下施工顺序及工艺要求:工序1(绳锯竖向切割混凝土主梁)→工序2(绳锯水平切割梯面,或用直径800mm的水钻钻穿)→工序3(用直径80mm的水钻钻穿梯级下段)→工序4(采用小型冲击钻分段凿除工序2中切割面上下的区域,形成梯形连接面)→工序5(人工细凿)。竖向施工采用基于相互约束条件的分段、同步拆建技术方案。结构拆除自上而下施工,拆建全过程需满足结构整体稳定、抗侧刚度、承载力等需求,竖向施工方案考虑以下几点:1)采取自上而下施工,拆除一层同步恢复一层,再向下一层进行循环施工的方式,可满足结构受力及稳定要求,但不同施工工艺反复穿插,施工速度慢,无法满足工程需要;2)采用基于相互约束条件的分段、同步拆建方案。分段指一次性拆除及重建楼层的范围;同步指各分段之间按指定约束条件同步施工;相互约束条件指施工分段最多可拆除的楼层数,下一分段拆除开始前,上一分段最少新建楼层数及钢柱封闭楼层数等;3)施工分段间的相互约束条件,本质上是拆和建之间的条件,即拆除楼层的同时必须按相应阶段恢复一定楼层。如若不带约束条件,楼层只拆除不恢复,会导致非拆除区剪力墙失稳倒塌,结构抗侧刚度不能满足施工阶段抗风、抗震要求,存在安全隐患。注:○为拆除楼层位置,符号右下角数字是楼层拆除顺序;以7#塔楼为例,全楼竖向分九个施工段,自上而下,施工段所含楼层数逐段减少,层数从7层减少至2层。施工段层数划分与剪力墙稳定受力相关,上部楼层承受的竖向力小,划分的层数多;下部楼层承受的竖向力大,划分的层数少。1)施工段一为屋面层楼面标高~41层楼面标高范围,不包括41层梁板;2)施工段二为41层楼面标高~35层楼面标高范围,不包括35层梁板;3) 41层开始拆除前(新施工段的第一个被拆除楼层),新建42层(上一施工段的最后一个楼层)梁板必须施工完毕,否则不允许拆除;4) 38层开始拆除前(新施工段的第一个中间拆除层),新建43层(上一施工段的倒数第二楼层)梁板必须施工完毕,否则不允许拆除;5) 37层开始拆除前,新建42层的钢柱必须封闭,否则不允许拆除。其余施工阶段同理类推,最终完成项目的拆、建施工全过程。至施工段八,全楼的楼层拆除已接近完成,恢复楼层数超过50%。由此可见,拆、建的约束条件是施工过程结构整体稳定以及安全的重要保障。拆、建过程是主体结构在已受力状态下,荷载条、边界等受力条件不断变化的过程。结构的变化过程容易出现安全隐患,施工段验算工作十分重要。施工阶段复核按各施工阶段最不利工况并采用包络设计的方法,复核内容有整体刚度、墙肢稳定、各类构件承载力以及基础承载力等。针对部分构件不满足承载力情况,采取加固措施。针对剪力墙稳定复核,采用不同的计算方式、不同的边界条件,按冗余度较高的荷载工况下,墙肢稳定复核以满足规范要求且具有一定的安全保证系数前提下确定,同时考虑以下因素采取以下施工加强措施:1)考虑理论分析与实际结构可能存在的偏差,如:垂直度、截面尺寸、配筋率、混凝土强度、浇筑等因素,增加施工临时钢支撑;2)考虑项目位于台风频发沿海地区,要求改建施工期间,塔楼各层门窗不能封闭,以减小受风面积,降低施工期间风荷载效应。按照相应的透风率反算,施工阶段主体结构可抵御100年一遇的风压。接受项目的初期,笔者曾认为这是一个不可能实现的任务。区别于一般项目,本项目是超高层建筑,改建涉及结构主抗侧力构件的拆改及体系变化,设计、施工难度很大,安全责任大。技术方案突破的关键在于结构方案紧密地结合了原结构的刚度分布特点及拆建施工顺序的施工可行性。项目实施的过程,设计、施工及业主方在高度的安全责任意识下,密切配合,严格按照既定的拆、建技术方案及关键工艺技术要求执行,项目最终顺利完工。陈招智,2000年毕业于华南理工大学,教授级高工,现任广州容柏生建筑工程设计咨询有限公司副总经理。作为项目及课题负责人带领设计团队完成了多项复杂超高层及大型综合体的设计、研发、顾问任务,其中含大型复杂改造类项目一项;大型国家投资类项目两项;科技研发类项目三项。项目曾获国家级奖项詹天佑奖一项,省、市级建筑结构专项及科技创新专项奖六项(其中一等奖两项、二等奖四项,含科技进步类奖项两项)。核心期刊发表学术论文共6篇。本项目设计团队对研究成果进行了总结,刊登于《建筑结构》2021年第20期,题为《已建超高层建筑拆除剪力墙的结构分析》(作者:陈招智,陈 颖,李盛勇,梁智殷),《已建超高层建筑拆除剪力墙的施工分析》(陈招智,陈颖,李盛勇,梁智殷,梁达琪),敬请查阅。
点击“此处”或扫描下方二维码,注册/登陆结构云学堂,在《建筑结构》期刊版块中点击“订·杂志”,进行订阅。