◆ ◆ ◆ ◆
建筑结构一体化的实践
杭州萧山国际机场T4航站楼主楼结构设计
◆ ◆ ◆ ◆
文/周健、王瑞峰、朱希
日前,由华建集团华东建筑设计研究院有限公司原创设计的杭州萧山国际机场T4航站楼基本建成。扩建后的杭州萧山机场将会成为城市迈向国际化发展的加速器,杭州发展成为亚太地区重要国际门户的目标也将更进一步。
为了深入探索本项目的设计相关内容,《建筑结构》杂志社小编特别对华东建筑设计研究院有限公司结构总工程师,也是本项目的结构总负责人周健,就大家关心的该航站楼结构设计问题进行了线上专访。
采访
内容如下
周健:杭州萧山国际机场三期项目是由华东建筑设计研究院有限公司原创、以联合体牵头单位身份从方案、初步设计、施工图全过程参与的大型交通枢纽类项目。整个三期项目建筑面积共130万平米,其中T4航站楼72万平米。
说到杭州,人们的第一印象就是西湖。“欲把西湖比西子,淡妆浓抹总相宜”、“接天莲叶无穷碧,映日荷花别样红”都是人们耳熟能详的诗句。建筑师尝试把杭州的城市精神、地域特色融入到整个航站楼的设计之中,精心营造了空港十景,让来到杭州的旅客甫一落地就开启一场人文之旅。抽象的建筑意向需要有具象的结构作为支撑,贯穿T4航站楼结构设计的主线之一就是建筑结构的一体化表达。所谓建筑结构的一体化,就是建筑的形态与结构的力学逻辑是有机统一的。以航站楼屋盖主要的支承构件荷叶柱为例,整体形态为一株株荷叶,下小上大的直段部分形如荷叶杆,逐步张开的分叉部分形如荷叶,托起整片屋面。为了实现这样的建筑形态,结构重点解决以下几个问题:如何利用下小上大的支承柱提供足够的抗侧刚度并简化与下部混凝土结构的连接节点;柱顶天窗的结构布置如何兼顾内力传递和通透的效果;如何优化荷叶柱的形态以提高受力效率;分叉节点如何完美实现。通过一系列的优化布置和深入分析,建筑师想要的意向形态通过受力逻辑简洁明了的结构得到了强化。我还清楚地记得和同事们在现场第一次看到刚刚结构成形的荷叶柱时,都产生了说服建筑师取消装饰外包、直接外露结构的强烈冲动。当然最后结构柱还是穿上了外衣,这样更能实现柱子与屋面融合成一体的整体效果。荷叶柱与柱顶天窗相互映衬,自然地成为了办票大厅中旅客视觉的焦点。通过建筑结构一体化的处理让结构构件成为建筑师希望展示的主体,而非通常想去减少、取消的对象,是萧山机场T4航站楼结构设计中的最大特点。
周健:高铁、地铁1号线、地铁7号线和机场轨道快线等线路均在萧山机场设站,形成了多交通模式的立体综合交通枢纽,加上配套的行李通道、下穿市政路等,多种结构形式在T4航站楼地下交叉穿越,形成了竖向重叠、水平交界共建等多重复杂的地下关系,需要采取灵活多样的方法解决各种问题。与高铁结构竖向重叠时优先使竖向构件对位、无法实现时就通过水平构件转换;上部结构落于轨交盾构区间上方时,尽量在盾构之间插入桩基;高铁车辆运行对上部结构的振动影响需要仔细分析并采用最简单的方法去解决。与轨交水平交界处,根据标高关系、间隙条件和施工先后情况,分别采用桩基共用、外墙共建等方式;与已施工轨交隧道间的新开联通口需要面临难以处理的施工顺序及防水问题;各种地下通道还有刚性还是柔性连接的选择等等问题。总之,都没有一定之规,因地制宜是处理各种难题的基本原则。
以下内容是有关该项目的具体情况及技术亮点。
01
项目概况
萧山国际机场是国内前十、华东地区第三大机场,现有T1、T2、T3航站楼,2019年旅客吞吐量突破4000万人次,入列全球最繁忙机场;三期扩建工程位于现有航站区,总建筑面积约130万平米,设计目标为2030年满足全场年旅客吞吐量9000万人次,是超大型国际航空枢纽,也是第19届亚运会的重要配套保障工程。建设内容包括:T4航站楼、交通中心、旅客过夜用房、业务用房、高铁车站、能源中心、出租车蓄车楼及进离场道路系统等。其中,T4航站楼总建筑面积约72万平方米,采用集中式主楼的7指廊构型,地下2层,地上4层,屋面最高点44.55米,采用三层式布局。T4航站楼下部有杭州机场高铁、地铁1号线、地铁7号线和机场轨道快线穿过。
02
设计概念
T4航站楼的设计中体现杭州“国际、开放、包容”的城市精神和“秀雅、精致、温润”的地域特色,努力打造承载文化、面向国际的人文地标。结合使用功能和空间特点,精心营造了空港十景,为旅客开启愉悦的人文之旅。
出发大厅支撑屋面的结构柱,造型宛如一株株荷叶,办票岛仿佛翩翩小舟,给旅客“接天莲叶无穷碧”、“莲下泛舟”的独特体验。
▲出发大厅:莲下泛舟
出发大厅东侧的荷花谷是极为重要的空间转换节点,采用一组简洁优雅的巨型结构柱支撑屋面,周边环绕层叠退台并配以纯净的造型语言,宛如芙蓉出水,天窗洒下的阳光直达谷底。
▲荷花谷:出水芙蓉
03
结构设计概况
T4航站楼设计使用年限为50年,竖向构件、转换构件、大跨钢结构及关键节点安全等级为一级,其余构件为二级。建筑抗震设防类别为重点设防类(乙类),抗震设防烈度为6度,设计基本地震加速度为0.05g,建筑场地类别为III类,设计地震分组为第一组,场地特征周期为0.45s。
航站楼主楼、连廊和指廊的主体结构均采用现浇钢筋混凝土框架结构体系,共划分为39个混凝土结构单元。综合考虑天窗布置的完整性以及屋盖温度应力的控制,共计划分19个钢结构屋盖结构单元。航站楼主楼屋盖造型为较为平坦的双向自由曲面,中间最高,南北两端在靠近挑檐位置略有上翘,采用分叉钢柱支承的空间曲面网架结构体系,天窗周边设封边桁架,结构构件贴近起伏的建筑内外形状以获得最大的结构高度。屋盖典型柱网为36m×54m,结构厚度为2.8~4.5m不等。南北两侧悬挑最大为40m,根部高度为4.5m,对应的跨高比为1/9。
▲混凝土结构单元划分
▲钢结构屋盖结构单元划分
▲航站楼主楼各层结构平面及整体模型示意图
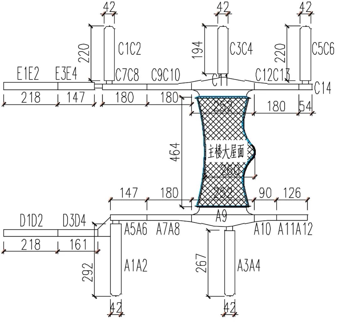
▲航站楼主楼(B段)中轴线处东西向剖面图
▲航站楼主楼(B段)中轴线处东西向剖面图
▲航站楼主楼(B段)纵向剖面图
04
结构设计特点
特点一
复杂地下关系的针对性处理
本项目航站楼地下部分存在多种建筑结构的穿越,包括地铁车站及盾构区间、高铁车站、市政道路、行李通道等,平面关系、竖向标高复杂。通过采用竖向构件转换、竖向构件和基础与高铁、地铁结构共建等措施进行了针对性处理。
▲航站楼与地下结构关系示意图
▲航站楼主楼与高铁车站共建示意图
▲航站楼主楼与地铁车站共建示意图
特点二
航站楼主楼与高铁、地铁共建区域的振动控制
本项目航站楼主楼结构与高铁、地铁结构连成一体,设计中须考虑高铁列车高速通过时、地铁列车运行时引起的振动对主体结构的影响。
对航站楼主楼与高铁共建区域,采用土-结构-轨道有限元进行振动分析,模拟计算列车以250km/h过站时航站楼的振动响应,以评判主体结构振动的安全性和舒适性。列车对航站楼造成的结构振动影响主要集中在高铁站房正上方区域。设计根据各区域振动响应和功能特点采取平面分缝、部分楼板加厚措施。同时相关区段的楼板建筑面层中,根据具体使用功能情况,对振动敏感的区域设置12.5mm厚的JY减振隔声垫板进行振动控制。
航站楼主楼与地铁共建区域,在地铁轨道中采用钢弹簧+浮置板的特殊减振措施,以降低地铁对上部结构的振动影响。
▲航站楼主楼4层(17.25m标高)竖向加速度分布云图/(mm/s2)
▲减振隔声垫板做法示意图
特点三
建筑结构一体化的荷叶柱支撑钢屋盖结构设计
屋盖设计过程中重点考虑建筑结构的一体化表达。办票大厅结合天窗和荷叶柱,重点营造“莲下泛舟”的建筑效果。
▲出发大厅室内效果图
为实现这一效果,要求屋盖主体网架结构不能从柱顶通过,荷叶柱采用分叉形式,2组分肢间无直接联系。设计在天窗周边设置加强的封边桁架,封边桁架呈现X向较短、Y向较长的菱形平面,同时分叉柱主要的叉开方向为X向,天窗构件亦主要沿X向布置,因此屋盖结构的X向柱顶弯矩主要通过分叉柱与天窗构件形成的力偶承担,同时通过微调柱分肢的形态,使X向的相邻荷叶柱间形成一定的拱作用,以减小柱分肢抵抗弯矩的需求;屋盖结构的Y向柱顶弯矩由于网架与封边桁架的角度关系,主要通过封边桁架承担。上述结构布置降低了天窗范围内构件承担的柱顶弯矩,从而实现了荷叶柱顶分开、顶部通透的效果。
▲支承柱与屋盖网架标准单元
(a) 类型一 (吨位较小) (b) 类型二 (吨位较大)
▲屋盖支承柱支座示意
为实现荷叶柱轻盈的建筑效果,支承屋盖的钢柱贴合建筑要求的荷叶柱形状,下部的直柱采用下小上大的变截面形式,直柱底部与混凝土结构采用铰接连接,避免常规大屋盖钢柱下插入混凝土结构造成的节点处理困难问题。荷叶柱铰接支座采用下大上小的构造,与建筑面层厚度匹配,从而实现柱脚轻盈的效果。随着高度的增大,支承柱截面逐渐变大,分叉点处截面最大;直柱在分叉点以上分为10根分叉柱,分叉柱通过封边桁架与屋盖的主体网架下弦连接,最终形成了一个直柱-分叉柱-平面构件连续的一体化结构体系。
(a) 屋盖支承钢柱详图 (b) 分叉柱与直柱连接三维示意
(c) 分叉柱与直柱连接节点构造
(d) 屋盖支承钢柱施工现场实景
▲屋盖支承钢柱及分叉节点详图及现场实景照片
屋盖结构的工作原理可以简化为一个梁柱刚接、柱底铰接的多跨刚架受力原理。抵抗水平力时,抗侧刚度的来源为多个连续布置的荷叶柱的刚度。抵抗竖向力时,网架呈现多跨连续梁受弯的性能,弯矩在标准竖向构件单元处连续,从而可以降低跨中的结构高度,竖向力通过分叉柱、直柱往下传递至下部结构或基础。
(a) 屋盖结构剖面图
(b) 屋盖结构原理简图
▲航站楼主楼屋盖结构原理简图
特点四
超高柔性荷花谷结构的实现
航站楼主楼东侧的荷花谷为航站楼与交通中心的连接区域,中央布置50m高的荷花谷柱犹如出水芙蓉,分叉交织,托起屋面上巨大的采光天窗。结构设计中重点关注荷花谷柱建筑结构一体化的实现,即在荷花谷柱纤细的建筑效果和空间大跨屋盖的承载力、刚度需求中取得平衡。为适应纤细的空间双曲的建筑造型,同时考虑构件的可加工、可实施性,荷花谷柱采用空间管桁架的结构形式。荷花谷柱的柱顶、柱底分别与网架和混凝土主体结构铰接连接,降低荷花谷柱在水平力作用下的内力效应。荷花谷区域以主楼东侧结合幕墙布置的8根摇摆柱为主要的竖向荷载支承构件。荷花谷柱作为一个刚度相对较小的弹性支座,主要用于改善屋盖在活荷载、风荷载作用下的跨中变形。
屋盖荷花谷区域示意图
(b) 荷花谷柱结构效果图 (c) 荷花谷柱结构现场实景
▲荷花谷区域及荷花谷柱示意图
特点五
屋盖结构的防连续倒塌分析及相应的防爆分析
连续倒塌采用瞬态动力时程分析方法,充分考虑关键杆件失效后结构状态改变的惯性效应。综合屋盖的支撑跨度、受荷情况、所处不利位置等因素,确定不同类型柱的失效工况。
(a) 结构稳定后最大竖向变形/m
(b) 失效柱上方部位竖向变形时程曲线
▲车道边柱抽柱连续倒塌分析结果
鉴于失效柱所在的位置以及上方的支承跨度,须对关键柱进行抗爆性能分析,分析中考虑静荷载和爆炸荷载。具体设计中须对车道柱采取针对性防护措施,如设置防撞墩避免汽车意外撞击等。
(a) 爆炸工况示意图 (b) 柱整体侧移/m
(c) 爆炸高度处截面局部变形/m
▲钢管混凝土柱防爆分析
特点六
超长结构的温度作用影响分析
航站楼各结构单元尺寸,特别是主楼尺寸均远超过《混凝土结构设计规范》中对温度缝的设置要求,为避免温度作用下混凝土结构开裂和抗侧力结构的破坏,对主楼及长廊进行了温度作用的受力分析。
▲正常使用阶段升温作用下屋盖结构位移云图/mm
▲考虑温度作用下屋盖支承柱应力比
05
现场实景
▲出发大厅实景(摄影:行知影像)
▲出发大厅实景(摄影:行知影像)
▲荷叶柱实景(摄影:行知影像)
▲荷花谷实景(摄影:行知影像)
▲荷花谷实景(摄影:行知影像)
▲航站楼实景(摄影:行知影像)
▲T4航站楼主楼实景(摄影:行知影像)
图片来源:
除特别注明外,其余图片或视频均由华东建筑设计研究院有限公司提供。
作者简介:
周健,1990年毕业于同济大学,现任华东建筑设计研究院有限公司结构总工程师,教授级高工,国家一级注册结构工程师。主要从事大跨、超高层及各类复杂结构的设计与研究工作,主持完成了浦东国际机场(T1、T2、卫星厅)、虹桥机场(T2、T1改造)、南京禄口T2、杭州萧山T4、乌鲁木齐机场T4航站楼、港珠澳大桥珠海口岸、天津周大福金融中心、武汉中心、G60科创云廊、长沙冰雪世界等重大项目的结构设计。
王瑞峰,2004年毕业于上海交通大学,现任华东建筑设计研究院有限公司设计总监,高级工程师,国家一级注册结构工程师。主要从事大跨、超高层及各类复杂结构的设计与研究工作。近年负责完成了杭州萧山国际机场T4航站楼、苏州中南中心、乌鲁木齐机场交通中心、港珠澳大桥珠海口岸、深圳湾文化广场、武汉天河国际会展中心、南宁国际会展中心改扩建、上海华润万象城(地铁上盖)、吴江绿地中心等重大项目的结构设计,多次获得国家和上海市优秀建筑设计奖。
朱希,2015年毕业于清华大学,现任华东建筑设计研究院有限公司设计副总监,工程师,国家一级注册结构工程师。主要从事大跨、超高层及各类复杂结构的设计工作。近年先后完成杭州萧山国际机场T4航站楼、绿地杭州之门、武汉天河国际会展中心、上海世博中心综合楼(酒店)、上海JW万豪侯爵酒店等重大项目的结构设计。
欢迎订阅
由周健、王瑞峰、林晓宇等撰写的文章《杭州萧山国际机场T4航站楼主楼结构设计》已在《建筑结构》第52卷第9期(华东院70周年专辑)刊登,欢迎大家查阅!点击此处可以查看《建筑结构》第9期期刊导览。
扫描下方二维码,进入订阅页面。
责任编辑:李会珍
原创转载请注意:原创文章48小时之后才能转载,且不能在文前和文中插入任何宣传性内容。在开头处应注明“本文来源:建筑结构(ID:buildingstructure)”。
推荐阅读
建筑结构丨多重极端条件下的结构设计——乌鲁木齐国际机场T4航站楼
重要通知
【详细日程出炉】8月25-27日·广州:第六届全国建筑工业化技术交流会
在线教育
"阅读原文"免费注册结构·云学堂
点赞
在看