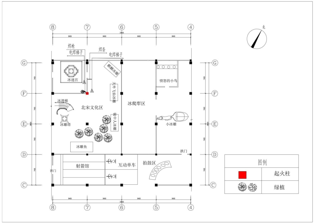
杭州冰雪大世界:1、建设审批方面:未按规定办理建筑施工许可证,以虚假装修合同逃避建设施工审批许可和政府部门监管;特殊建设工程未经消防设计审查,擅自开工建设。2、建设施工方面:保温材料未按规定使用 A 级不燃材料;火灾自动报警系统、机械排烟系统、自动喷水灭火系统等消防设施未按设计要求设置;安全疏散设置不符合规定要求;预作用自动喷水灭火系统不具备正常使用条件;违规在原建筑内天井位置搭建吊顶,形成封闭空间,影响内部排烟。3、安全管理方面:企业日常安全管理缺失,未建立消防安全责任制,消防安全管理制度和操作规程不完善;对维修人员进入杭州冰雪大世界场地实施消防管道维修、动火作业不闻不问,未查验资质,未安排专人进行现场监管;擅自关闭火灾自动报警系统;消防安全巡查、检查不到位,营业期间违规动火作业。**科技有限公司(经营管理公司):未明确各岗位人员的消防安全责任;未建立事故隐患排查治理制度;未按规定与杭州冰雪大世界签订专门的安全生产管理协议,也未在《房屋租赁合同》中约定各自的安全生产管理职责,未对杭州冰雪大世界的安全生产工作实施统一协调、管理;违反规定组织无消防设施维修职业资格和电焊操作资格人员进行消防管道维修;未落实动火审批手续,未指派人员进行现场看护,未采取任何防范措施,任由施工人员私自操作。**房产公司:违规在原建筑内天井位置搭建顶棚;将杭州湾建材装饰城经营管理发包后,对**科技有限公司(经营管理公司)经营管理活动中的安全生产、消防安全监督、检查不到位;对杭州冰雪大世界违规在原建筑内天井位置搭建封闭吊顶的行为未督促整改。**消防工程有限公司:未按照住建部门消防设计审查合格的设计图纸进行施工,擅自改变消防设计,降低施工质量;预作用自动喷水灭火系统未施工完成就交付投入使用。**设计有限公司:安全疏散、防排烟等消防设计违反《建筑设计防火规范》GB 50016-2014(2018 年修订版)等有关强制性条文要求;违法出借设计资质,允许他人随意使用相关资质出具设计图纸,且未履行设计质量管理责任;盗用他人的电子签名在其公司出具的设计图纸上使用。**图审中心:在施工图审查过程中把关不严格,第一次图审时未按规定将杭州冰雪大世界装修工程界定为特殊建设工程;在重大变更图审中审查不力,未发现设计图纸中违反国家工程建设消防技术标准强制性条文的内容,未要求对重大变更重新进行设计复核。**消防技术有限责任公司:未按规定安排人员实地开展消防设施检测,出具虚假《建筑消防设施检测报告》。