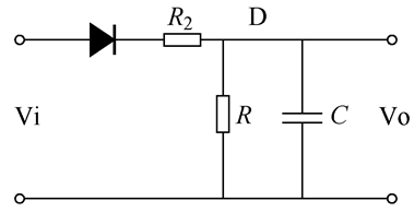
在工业中,我们常用的检波技术主要有三种:均值检波技术、峰值检波技术以及均方根值检波技术。其中,均值检波法主要应用于交直流转换电路中,其主要实现方法是将交流信号进行半波或者全波整流,再对整流输出的脉动直流信号进行积分得到较为平缓的直流信号,最后再根据被测信号的半波整流平均值或全波整流平均值与有效值的关系即可计算出被测信号的有效值。图1.1为均值检波的典型电路图:
电容两端的电压波形如图1.2所示,流过微安表的电流波形与图1.2电压波形相同,可见,只要输入交流电流幅值不变,流过电流表的波形非常接近一条直线。充放电电路的时间常数越大或信号频率越高,输出波形越接近直线。充放电电路的时间常数越大,当输入电流幅值发生变化时,输出响应越慢。因此,均值检波电路较适合于幅值相对稳定或变化缓慢,而频率较高的交流电测量。
而峰值检波则是对交流信号进行半波或者全波整流,再用充电电容保持整流输出的脉动直流信号的峰值,得到较为平缓的直流信号。
对于数字采样的仪表,图中微安表可用取样电阻替代。并且一般会先将电流信号转变为电压信号再作转换,电压半波整流的均值检波电路如图1.3所示。
但是,上图存在一些问题:
① 由于二极管存在压降,当测量电压较小时,二极管压降带来的影响不能忽略。
② 这是电阻电容串联电路,并不是严格的平均电路。
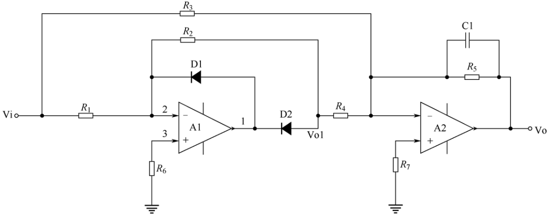
因此,图1.3电路不能实现严格的整流平均值,我们可以通过将变容二极管半波整流电路采用基于精密整流的绝对值电路替代来解决第一个问题,图1.4为实用的均值检波电路,图中只要去除C1,就是全波精密整流电路,本电路在A2构成反相加法器上增加积分电容,将其变为反相加法及积分电路。图中R3=2R4。
峰值检波法构建的交直流转换电路对交流信号进行半波或全波整流,再用充电电容保持整流输出的脉动直流信号的峰值,得到较平缓的直流信号,直流信号的幅值就是被测交流信号的峰值,再利用被测信号的峰值与有效值的关系即可计算出被测信号的有效值。与均值检波技术不同的是,它利用的是被测信号的峰值而不是均值来计算有效值。
峰值因数是指信号的峰值与有效值的比值。因此,峰值检波法交直流转换电路得到的测量结果需要除以峰值因数才是被测信号的有效值。
均方根值检波技术可以用硬件方法或者软件算法来实现,如果要用硬件实现的话,可以采用专用的真有效值转换芯片来实现。常用有效值转换芯片有AD536、AD637、LTC1966、LTC1967、LTC1968等。其用法可以参考芯片的datasheet,这里不再赘述。我们来详细探讨下软件算法的实现。
均方根值,顾名思义,就是在输入信号的整数周期内,对输入信号进行平方,相加平均再开方。我们采用均方根值算有效值的流程通常是先将输入信号转化为电压信号,再根据信号的频率选用高速AD对信号进行采样,最后,我们将采样值输入FPGA或者单片机中进行算法处理,得到信号的有效值。这里有两点要特别注意:
① 对于频率较高的信号,我们最好选用采样率足够高的AD和主频足够高的FPGA来进行处理,否则的话,算出来的有效值误差会非常大。
② 在采样时,最好是按照周期的整数倍来进行采样和数据处理,如果数据处理时不是按照整数个周期来处理的话,得到的值将会是一个跳动的数字。
流程图如下:
采样对于电源设计来说,是极其重要的一部分,采样精度往往决定了整个系统最终输出的精度,性能以及稳定性,因此,我们在设计系统的采样部分时,应尽可能地高标准。要想实现高精度采样,有两点最重要,第一是AD的选择,第二则是采样电路以及滤波算法的选择。
根据A/D转换器的转换原理可以把A/D转换器分为两大类:直接型A/D和间接型A/D。
直接型A/D将输入的模拟电压通过比较直接转换为数字量。而间接型A/D转换器,模拟电压先被转换为一种中间变量(像时间、频率、脉冲等),然后再把中间量转换成数字量。
直接型A/D中应用较为广泛的主要有逐次逼近式A/D转换器、流水线A/D转换器;间接型A/D转换器中应用较为广泛的主要有双积分A/D转换器和V/F变换A/D转换器。
在选择A/D转换器的时候,要根据需要选择性能指标合适的A/D转换器,这就需要我们对A/D的性能指标有一定的了解。
(1)分辨率
分辨率表示输出数字量变化一个数字量,输入的模拟电压的变化量,转换器的分辨率定义为满刻度电压与2的n次方的比值,其中n代表A/D转换器位数。
(2)转换速率
转换速率是指A/D转换器完成一次数据转换所需要的时间。不同的A/D的转换时间是不一样的,根据实际需要转换速率合适的A/D。
(3)量化误差
量化误差是由于A/D转换器的有限分辨率而引起的误差。量化误差是指量化结果和被量化模拟量的差值,显然量化级数越多,量化的相对误差越小。分辨率高的A/D具有较小的量化误差。
(4)非线性度
非线性度是指转换器实际的转换曲线与理想转换曲线的偏移,也可以称为线性度。
(5)偏移误差
偏移误差是指输入信号为零时,输出信号不为零的值,也叫做零值误差。偏移误差通常是由A/D转换器内部的放大器或比较器输入的失调电压或电流引起的。在使用A/D转换器前,要先将偏移误差降到最低,有的A/D转换器有零点调节的功能。
(6)输入电压范围
A/D转换器一般都有规定的输入电压范围,使用过程中尽量不要超出范围,因为这样会造成对A/D的永久损坏。
对于品种繁多、性能各异的A/D转换器,在设计数据采集系统时要按照以下几点要求进行选择。
(1)A/D转换器的位数
A/D转换器的位数的确定与整个测量控制系统所要测量控制的范围和精度有关。A/D转换器的位数至少要比总精度要求的最低分辨率高一位。虽然分辨率与转换精度是不同的概念,但是没有基本的分辨率就谈不上转换精度。但是,选的太高也没有实际意义,而且会增加系统的成本。
(2)确定A/D转换器的转换速率
A/D的转换速率从s级到ns级都有,实际应用中根据系统需要选择合适的转换速率。像积分型的A/D转换速率就比较慢,一般用于对温度、压力、流量等缓变参量的测量和控制。逐次比较型A/D转换器属于中速转换器,常用于单片机控制系统、音频采集等。FLASHA/D转换器属于高速转换器,适用于雷达、数字传输、瞬态记录等实时要求高的测量系统。
(3)确定工作电压和基准电压
早期设计的集成A/D转换器需要±15V的工作电源,现在的A/D转换器大多可以在5V~12V范围内工作。基准电压是A/D转换准确的保证,有的A/D带有内部基准比较方便,对于要外接基准的A/D转换器,一定要保证基准电压幅度稳定、准确。必要时使用基准电压芯片。
(4)输入电压范围
A/D转换器根据用途不一,输入电压范围各异,选择A/D前一定要注意输入电压的范围,超范围的电压输入可能会导致A/D转换器的永久损坏。
A/D转换器的启动一般需要外部控制启动转换信号,一般由CPU提供。A/D转换器的启动转换信号一般分为两种:脉冲控制启动和电平控制启动。对于电平控制类A/D转换器,电平应在转换的全过程中保持不变,否则会中止转换。
在正常使用中,A/D转换芯片可能会电流突然增大、突然发热,这是可控硅现象,是所有CMOS集成电路在使用中都可能发生的现象。出现这种情况以后,要切断电源,然后重新打开,又会回复正常工作。为防止这种现象发生可采取以下措施:
(1)尽量避免较大电流干扰窜入电路;
(2)加强电源稳压滤波措施,在A/D转换芯片的电源入口处加去耦电路。为防止窄脉冲窜入,应加一个高频滤波电容(0.01µF左右);
(3)在A/D转换芯片的电源端串一个100~200Ω的限流电阻,可在出现可控硅现象时有效地限定电流,保护芯片。
另外现在使用的A/D中一般都自带采样保持电路,不需要外面再外接采样保持电路。
说完了AD的选择,我们就来聊聊采样电路的设计。在电源系统的设计中,AD的采样管脚直接采样的一般都是电压信号,如果需要采样电流信号,我们可以先将电流信号转化为电压信号之后再进行采样,而电压采样一般也分为两种:直流电压采样和交流电压采样,接下来我们来分别讨论这两种采样的电路设计。
最简单,最直接的采样方法:判断采样电压的峰值是否在AD的采样范围之内,如果信号范围和AD采样范围相吻合,滤波后直接送入AD采样口进行采样,这里滤波可以用简单的LC或者RC滤波。如果信号的范围超出了AD的采样范围,可以用电阻分压之后再将信号送入AD采样口进行采样。如果分压之后信号幅值太小,可以用运放将信号放大之后再送入AD采样口采样。典型的电路图如图2.1所示:
在我国,交流电的频率一般都是50Hz,对交流电压的采样,我们可以先用电压电流互感器将强交流信号转化为较弱的交流信号,以方便后级采样。这里对交流互感器的选择也是有讲究的,普通的线圈互感器只能互感交流信号,如果采样信号是交流加上直流偏置的话,直流信号会被直接过滤掉,从而破坏信号的完整性,为了同时采集直流信号和交流信号,我们可以采用霍尔交流互感器,它可以同时互感直流和交流信号,最大程度地保证信号的完整性。然后,我们可以利用高速AD,以周期为单位采集信号的瞬时值并保存在数组里,为之后求信号有效值值或者峰值做准备,这里以求信号有效值为例,我们可以用FPGA搭建一个DDS信号发生器或者买一个DDS发生器模块,使得DDS信号发生器的周期和交流信号的周期成整数倍关系,然后根据DDS信号的节拍去对采样信号进行均方根运算,最后将结果除以那个整数,即可求得较为精确的交流电压有效值。
典型采样电路如图2.2所示:
「第三篇」电赛,这些你必须知道的比赛细节,文末附上近十年电赛题目下载
最 后 若觉得文章不错,转发分享,也是我们继续更新的动力。 5T资源大放送!包括但不限于:C/C++,Linux,Python,Java,PHP,人工智能,PCB、FPGA、DSP、labview、单片机、等等! 在公众号内回复「更多资源」,即可免费获取,期待你的关注~ 长按识别图中二维码关注