整流就是将交流电转换为直流电的过程,完成整流过程的电路称为整流电路。整流电路的类型很多。根据采用器件的可控性,可以将整流电路分为不可控整流电路、半可控整流电路和全可控整流电路:
(1)不可控整流电路:电路中的整流器件为不可控的整流二极管,其通断完全由输入电压的极性决定,无法进行控制。因此输入电压与输出电压的比值固定,输入电压一定时直流侧输出电压无法根据需要进行调节。
(2)半可控整流电路:电路中的整流器件为半可控器件晶闸管,通过控制晶闸管门极触发脉冲的相位从而控制输出电压的高低,因此也称为相控整流。
(3)全可控整流电路:电路中的整流器件采用全可控整流器件,例如功率MOSFET、IGBT等。通常,该种电路采用脉宽调制(PWM),通过调节PWM波的占空比来控制开关器件的通、断时间,实现对输出电压的调节,同时可以实现对整流电路交流侧电压电流相位的控制进而调节其功率因数。
根据输出波形与输入波形的关系,可以将整流电路分为半波整流和全波整流。
半波整流电路是一种最简单的整流电路。因在整流过程中正弦波的交流电压被“削掉”一半而得名。电路示意图如图1所示。
从图1可知,半波整流电路由变压器 、整流二极管D1和负载电阻RL组成。变压器把交流电压降低为所需要的交流电压 ,UL为负载两端电压。半波整流电路的具体整流过程如图2所示。
图1半波整流电路 | 图2半波整流电路的波形变换 |
如图2所示,U2 是方向和大小随时间变化的正弦波电压;在0~π的时间内, U2为正,变压器次级上端为正下端为负,则二极管 D1在正向电压作用下导通, RL上的电压 UL=U2;在 π~2π的时间内,U2 为负,变压器次级上端为负,下端为正,则二极管D1在反向电压的作用下截止, RL上无电压……周而复始,交流电U2的负半周就被"削掉"了,在RL上获得了一个单向直流电压,达到了将交流电转换为直流电的目的。因负载电压RL 的大小仍随时间不断变化,通常将它称为脉动直流电压。半波整流以牺牲一半功率为代价来换取整流效果,电能利用率很低。因此常用在高电压、小电流的场合,而在一般无线电等装置中很少采用。
全波整流电路是在半波整流电路的基础上,稍加调整得到的一种能充分利用电能的整流电路。电路示意图如图3所示。
图3中,全波整流电路可以看作是由两个半波整流电路组合而成的。变压器次级线圈中间引出一个抽头,把次级线圈分成两个上下对称的绕组,从而得到两个大小相等但极性相反的电压U2a、U2,构成U2a、D1、RL与U2b、D2、RL两个半波整流回路。全波整流电路的具体工作原理及其波形变换过程如图4和图5所示。
| 图4半波整流电路的波形变换 |
如图4(a)所示,在0~π 间内,U2a对D1为正向电压, U2b对D2为反向电压,则D1正向导通,D2反向截止,在RL上得到上正下负的半波电压;如图4(b)在时间π ~2π 内,U2a对D1为反向电压,U2b对D2为正向电压,则D1反向截止,D2正向导通,在RL上得到的仍然是上正下负的半波电压。如此反复,由于两个整流元件D1、D2轮流导电,在正半周、负半周两个作用期间,负载电阻RL上都有同一方向的电流通过,因此称为全波整流。
全波整流巧妙地利用两个整流二极管交替导通,相对于半波整流电路电能利用率提高了一倍,从而大大地提高了整流效率。但如图3所示,全波整滤电路需要变压器次级线圈具有一个使上下两端完全对称的中心抽头,增加了变压器制作工艺上复杂度。另外,相比半波整流电路每只整流二极管承受的最大反向电压增加一倍,因此需要耐高压的二极管。
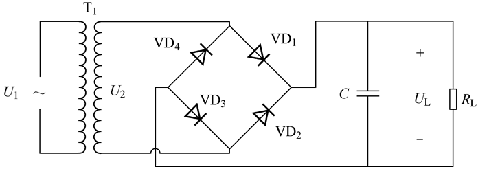
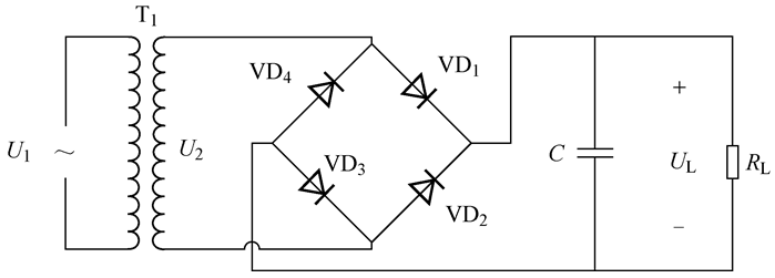
桥式整流电路是在实际电路中使用最多的一种整流电路。
图6 桥式整流电路 | 图9 桥式整流滤波电路 |
图7 正半周桥式整流电路工作状态 | 图8 负半周桥式整流电路工作状态 |
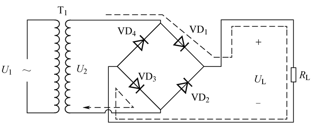
桥式整流电路因利用四个整流二极管连接成"桥"式结构而得名。桥式整流电路具有全波整流电路的优点,同时在一定程度上克服了它的缺点。桥式整流电路的工作原理如图7和图8所示。
在图7中,U2为正半周0~π时,对D1、D3为正向电压,对D2、D4为反向电压,则 D1、D3正向导通,D2 、D4反向截止,此时U2、D1、RL、D3在电路中构成通电回路,在 RL上形成上正下负的半波正弦电压;在图8中,U2为负半周π ~2π时,对D1、D3为反向电压,对D2、D4为正向电压,则D1、D3反向截止,D2、D4正向导通,此时U2、D2、RL 、D4在电路中构成通电回路,同样在 RL上形成上正下负的半波正弦电压。周而复始,在RL上便得到全波整流电压。其波形变换图和全波整流波形变换图完全一样。同时从图7和8中还不难看出,桥式整流电路中每只整流二极管所承受的反向电压为变压器次级电压的最大值,相比全波整流电路减小一半!
以上讲述的整流电路输出电流均为脉动电流,但在大多数应用中要求整流电路输出为尽可能平滑的直流电,即脉动系数尽可能小。因此通常需要在整流电路之后接一个大容量电容进行滤波,具体电路如图9所示。
功率因数是对电能进行安全有效利用的衡量标准之一,功率因数值越低,代表电力电子设备的电能利用率越低,即电力公司除了有效功率外,还要提供与工作非相关的虚功,这导致需要更大的发电机、转换机、输送工具、缆线及额外的配送系统等事实上可被省略的设施,以弥补损耗的不足。同时波形畸变带来的大量谐波会污染电网,进而影响电网上其他用电设备的工作。因此高功率因数整流技术就显得很有必要。
引起功率因数下降的原因有两点:1.电容或电感引起电压和电流的相位偏移;2.因有源器件引起的波形失真。
APFC的工作原理就是要保证在交流输入侧的电流波形呈正弦波且与电压正弦波同相,因此所有的控制方式都是围绕这个目的展开。
在APFC的控制方式中,根据是否直接选取输入电流的瞬时值作为反馈量,可以分为间接电流控制和直接电流控制。
Boost拓扑有源功率因数校正电路是一种最常用的APFC电路结构。Boost拓扑有源功率因数校正电路的其基本思路是二极管整流桥后用一个Boost斩波电路代替原来的大容量滤波电容,以消除因电容的充电造成的电流波形畸变及相位的变化。利用前面所述的APFC的控制方式来控制Boost斩波电路中的开关管的通断。电路原理图如图10所示。
图10 具有Boost有源功率因数校正的桥式整流电路
图10中,二极管整流桥输出正弦波脉动电压,开关管在高频PWM波控制下快速通断,每一个高频开关周期内,电流呈现三角波,但这些三角波的峰值的包络呈现正弦波脉动,与电压波形相同,从而实现功率因数校正。
随着电源技术的发展,对功耗的要求越来越高,这就要求在电源设计的过程中尽量降低损耗。而整流电路作为开关电源中的关键部分,其主要元器件为整流二极管。因为导通压降的存在,整流二极管会引起巨大损耗,尤其在大电流的工作环境下其损耗更是惊人。巨大的损耗导致电源效率降低,同时损耗产生的热能导致整流二极管发热进而使开关电源的温度上升,造成后级用电设备系统运行不稳定,影响其使用寿命,危害极大。
为了解决这些问题,就必须寻找更好的整流方式、整流器件。同步整流技术和通态电阻极低的功率MOSFET管自然而然得到电子工程师的青睐!
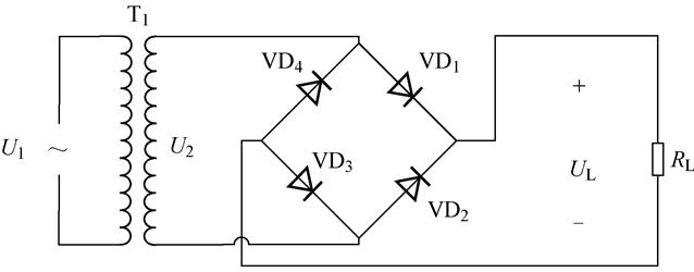
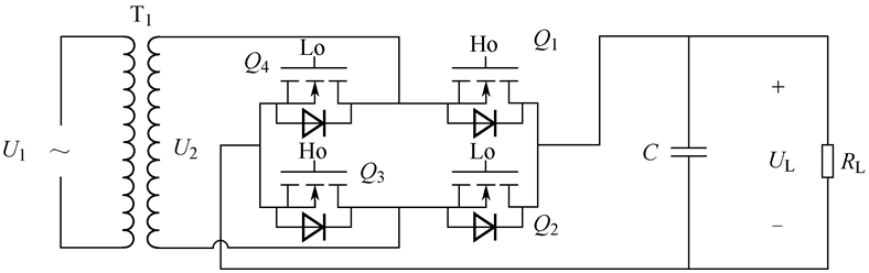
在前面着重讲解了全桥整流滤波电路,如图11所示。在图11中,利用4个整流二极管构成“桥式”电路结构,利用其交替导通来实现整流。如前所述由于整流二极管导通压降的存在,会引起巨大的损耗。若将其中的4个整流二极管全部由通态损耗低的功率MOSFET管代替,即可构成常见的全桥式同步整流电路。具体电路如图12所示。
图11 全桥式整流滤波电路 | 图12 全桥式同步整流电路 |
与二极管桥式整流电路一样,全桥式同步整流电路中的四个功率MOSFET管被分为两组Q1、Q3和Q2、Q4,由两组PWM波Ho,Lo控制交替导通。Ho,Lo是频率与输入交流电频率相同、占空比为50%的两组PWM信号,可由专用控制IC或微处理器产生。在正半周,Ho为高电平,驱动Q1、Q3导通,Lo为低电平,Q2、Q4关断;在负半周,Ho为低电平,驱动Q1、Q3导通,Lo为高电平,Q2、Q4关断。同时,为避免Q1、Q2或Q3、Q4两个功率MOSFET管同时导通造成短路而损毁电源。Ho,Lo两组PWM信号要加入一定量的死区时间。
下面通过应用实例来进一步加深对于全桥式同步整流的理解。
上图中,采用低损耗N沟道MOSFET替代了全波桥式整流器中的全部4个二极管,以显著地降低功率耗散。同时采用凌力尔特公司的理想二极管桥控制器LT4320,作为控制器产生PWM驱动信号。LT4320可设计用于DC至60Hz电压整流,LT4320开关控制电路通过检测输入交流电压的频率自动输出两组PWM驱动信号,平稳地驱动两个适当的功率MOSFET管导通,同时将另外两个功率MOSFET管保持在关断状态以防止反向电流,实现同步整流。
猜你喜欢
电子设计竞赛(4)-常用的两种PID算法 电子设计竞赛电源题(4)-Buck与Boost电路 疫情之下,在家如何准备电赛?
最 后 若觉得文章不错,转发分享,也是我们继续更新的动力。 5T资源大放送!包括但不限于:C/C++,Linux,Python,Java,PHP,人工智能,PCB、FPGA、DSP、labview、单片机、等等! 在公众号内回复「更多资源」,即可免费获取,期待你的关注~ 长按识别图中二维码关注