从直流电源中获取交流电能,有多种方式,但至少需要两个功率开关器件,如图1所示的半桥式逆变电路是单相逆变电源的一种拓扑结构。此电路由两个串联的功率开关和两只串联的电容组成。两只串联电容的中点为参考点。电路工作原理如下:当V1导通V2关断时,电容C1上的能量释放到负载R上,输出电压Uo为正,同时电容C2充电;当V1关断V2导通时,电容C2上的能量释放到负载R上,输出电压Uo为负,同时电容C1充电。开关管V1、V2交替导通使得负载获得交流电能。
半桥式逆变电路的优点是电路结构简单,两个电容的串联中心作为中性参考点,这样不会带来直流分量和磁偏,适合带动变压器负载。其不足之处在于,当电路工作在工频(50Hz- 60Hz)情况下,所需电容的容量比较大,增加电路的体积和成本。
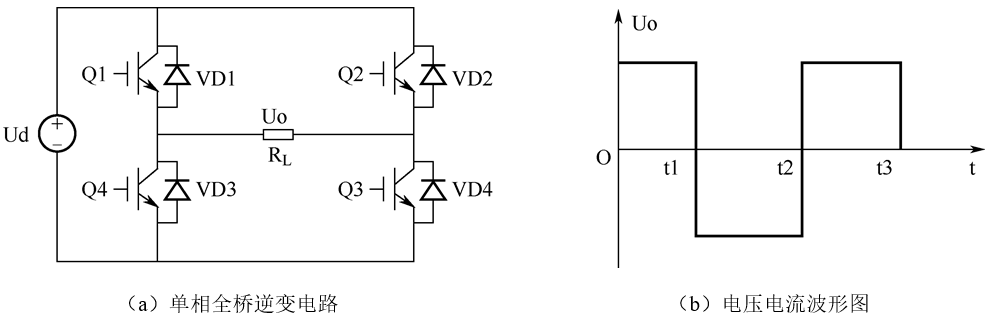
在大学生电子设计竞赛中,全桥式逆变电路是应用最广泛的一种电路。下面以下图图2(a)的单相全桥逆变电路说明全桥式逆变电路的基本原理。单相全桥逆变电路也称为‘H桥’电路,由四个功率开关管及其驱动辅助电路构成,工作时Q1与Q4通断互补、Q2与Q3通断互补。当Q1、Q3闭合,Q2、Q4断开时,负载电压Uo为正;当Q1、Q3断开,Q2、Q4闭合时,负载电压Uo为负,Uo波形如图2(b)所示。Q1、Q3和Q2、Q4交替导通,使得负载上获得交流电能。当负载不是纯电阻时,负载电压和负载电流不是同相位,这时开关管的寄生二极管D1-D4则起着电流续流的作用。
在电力电子发展史上,逆变电源占据非常重要的一环,而PWM控制技术在逆变电路中应用最广泛,对逆变电路的影响也最为深刻。现在大量应用的逆变电源绝大多数都是PWM型逆变电源。正是由于在逆变电源中的应用,PWM技术才会发展得比较成熟,才确定了它在电力电子技术中的重要地位。
PWM控制就是对脉冲的宽度进行调制的技术。即通过对一系列脉冲的宽度进行调制,来等效地获得所需要波形(含形状和幅值)。PWM控制技术的理论基础为:冲量相等而形状不同的窄脉冲加在具有惯性的环节上时,其效果基本相同。冲量指窄脉冲的面积。效果基本相同,是指环节的输出响应波形基本相同。如下图3(a)(b)和(c)所示的三个波形分别为矩形波脉冲、三角波形脉冲以及正弦波形脉冲,显然它们的形状完全不同,但是面积完全相同,如果把它们分别加在具有同一个惯性的环节上时,其输出作用完全相同。
在历年的全国大学生电子设计竞赛中,对逆变电源的考察主要以多相的形式出现。如2005年G题三相正弦波变频电源,2017年微电网模拟系统。在全国大学生电子设计竞赛电源方向的培训中,多相逆变电源设计制作必不可少的,其中三相逆变电源最主要的。
(1)三相交流电:是电能的一种输送形式,是由三个频率相同、振幅相等、相位依次互差120°的交流电势组成,分别为A、B、C三相。三相电的波形图和矢量图如下图所示。
(2)星形接法和三角形接法
星形接法:也称Y型接法,如下图图5(a)所示每一相的负载的一端都接在公共点上。公共点为中性点,N为中性线。
(3)线电压、线电流、相电压和相电流
线电压:三相供电系统两线之间的电压。如下图图7(a)Y型接法ABC三线间的电压Uab ,Uac,Ubc。
相电压:三相供电系统ABC三相分别对中性线的电压。如下图图7(a)Y型接法ABC三相电压Uan,Ubn,Ucn。
线电流:线电流是三相电源中每根导线中的电流为线电流。如下图图7(a)Y型接法中ia,ib,ic。
相电流:相电流是指三相电源中流过每相负载的电流。如下图图7(a)Y型接法中ian,ibn,icn。
在Y型均衡接法中,线电压和相电压之间是呈现等边三角形关系,如下图图8所示的电压矢量图。线电压等效于等边三角形的三边,相电压等效于等边三角形的中心与顶点的连线。三个线电压是对称的:大小相等,为相电压的 倍,相位领先对应的相电压30度,互成120度。而线电流和相电流相等。
在三角形接法中,线电压与相电压是相等的,线电流和相电流的关系和Y型接法中线电压和相电压的关系一样。
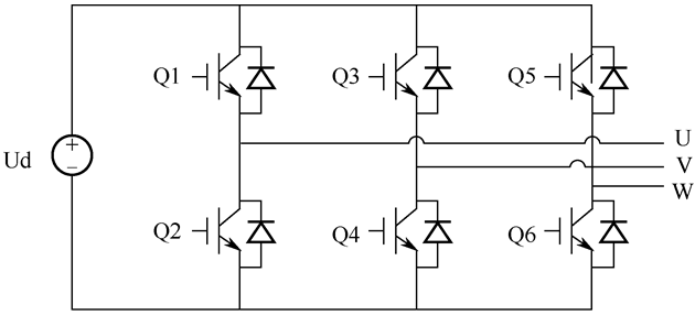
图9为三相有源逆变电路结构,可看做由三个半桥组成,取三个半桥中间点作为三相的输出。用三个互差120°的正弦波与高频三角载波进行比较,每路结果再经反相器产生与原信号相反的控制波,分别控制上下桥臂MOS的导通与关断。这样产生的六路SPWM波分别控制六个MOS的通断,从而在负载端产生与调制波同频的三相交流电。(图10的电路原理图可以根据图中的参数拿来直接用)
猜你喜欢