身经百战的火腿肠可能不会想到,它能在进入市场三十多年后,归来仍是顶流。
小时候被路边摊的淀粉肠掏空零花钱的年轻人,成年后依然选择把工资贡献给火腿肠,在小红书、短视频平台怒刷吃淀粉肠的快乐,“多一点肉我都不爱吃”。
只是成年人的生活哪有什么容易可言,就连火腿肠也充满了欺骗。小时候以为它是肉肠,大人们却说里面全是淀粉;长大了对淀粉肠里纯淀粉的说法深信不疑,最后却发现里面居然有肉。
到底为什么,淀粉感强烈的火腿肠,就是比纯肉肠好吃?明明是肉制品的火腿肠,是怎么让大家吃出淀粉感的?
————
你爱吃的淀粉肠里其实都是肉
“就好这一口”的淀粉肠死忠粉可能不会想到,所谓的“淀粉肠”里,其实都是肉。
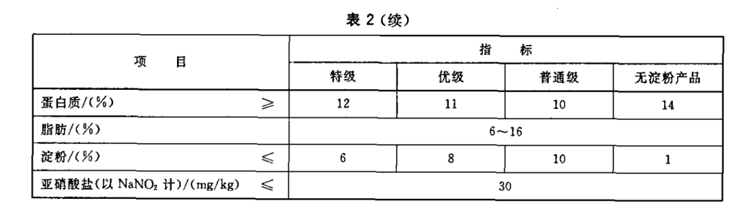
不管食客怎么看待火腿肠,火腿肠都以老大哥的姿态统治零食界超过三十多年,并且还可根据各自的业务能力分为特级老大哥、优级老大哥和普通级老大哥,以及只含有非常少量淀粉的特殊工种[1]。
不论哪个级别的火腿肠,不管是两毛一根还是一块一根,根据2006年发布的现行国标,它们的淀粉含量最高均不能超过10%,优雅的特级火腿肠,淀粉含量更是不能超过6%[1]。
大部分火腿肠,均遵守这个推荐性标准来给自己分级 / GB/T 20712-2006_火腿肠
这个分级,你在火腿肠的外包装上均能看到,与此同时能看到的,还有配料表里的配料顺序。在我国,对于火腿肠这样的预包装食物,“应按制造或加工食品时加入量的递减顺序一一排列”[2]。
而任意拿起一根火腿肠,会发现淀粉的排序几乎均在肉类和水之后。这不是商家虚晃一枪,而是一根合格的火腿肠应该做到的。
然而,真正的问题可能是,明明肉含量并不少的火腿肠,是怎么吃出淀粉感的?同样都是肉肠,火腿肠为什么就是比普通肉肠更受疼爱?
————
为什么火腿肠的口感总让人误解
要回答这个问题,要先从火腿肠和其他香肠的制作工艺有何不同说起。
火腿肠吃出淀粉感,可以说是种瓜得豆的一件事情。
在我国,我们所能吃到的其他香肠都可以划分到“熟肉制品”中去,而火腿肠则地位特殊,受到专门的国标管理。究其原因,主要是因为火腿肠为了让肉质更加嫩滑、Q弹,在制作的过程中有比较特殊的一步:乳化[3]。
为了让肉馅中的瘦肉和肥肉不再“各玩各的”,乳化的第一步,就是要通过高速斩拌,将肉的脂肪部分打到非常非常细小、无法用肉眼辨别的程度,然后让它们均匀分布在肉泥内,这也就是火腿肠口感发生本质性变化的来源[3]。
切开火腿肠,大部分脂肪无法用肉眼辨别 / 图虫创意
比较来说,自家剁肉馅的斩拌速度依然可以让我们吃到饺子或香肠内明显的肉的质感,而在专门的斩拌机每分钟6000转的速度下,没有一块肥肉可以完整地见到明天[4][5]。
然而,脂肪“聚是一团火,散是满天星”,这些脂肪星星在高温加热下一上头,依然有聚在一起再青春一把的嫌疑[12]。
于是你会在火腿肠的配料表上发现,排在淀粉后的,还有一个重要的组成部分,大豆蛋白。因为斩拌并不是乳化过程的结束,还需要蛋白质作为乳化剂来稳定这些已经散落在世界各地的脂肪[6]。
而蛋白质也在影响着火腿肠现在的口感。这些蛋白质一部分负责吸附到脂肪的表面,进行一对一劝阻,另一部分则吸水膨胀形成蛋白凝胶网络,将脂肪粒隔离在里面,防止聚集。这种凝胶网络的强度越大,火腿肠就越弹牙,反之则软绵[3][6]。
蛋白网格会像小房子一样,将脂肪隔离起来 / 袁冬雪,殷永超,常婧瑶,孔保华 & 刘骞.(2022).亲水胶体改善低脂乳化肉糜制品品质的研究进展. 食品工业科技(11),426-433.
通常被认为用来降低成本的淀粉,的确也在为火腿肠的这种质感“添砖加瓦”,只需要5%的淀粉就可以增加火腿肠的硬度和弹性,并且在加热后淀粉糊化,吸收比自己体积大十几倍的水分,让火腿肠吃起来更嫩[6]。
等来到最后的蒸煮环节,火腿肠作为肉制品最后的骄傲也要保不住了。由于需要高温杀菌,于是115℃以上的温度下,肉蛋白质过度变性,肉的纤维弹性变差——简单来讲就是肉味变少了[7]。
也就是说,火腿肠的这种吃起来没有什么肉感的或软绵、或Q弹的质感,不是因为淀粉多,而是因为制作工艺特殊。然而让商家没想到的是,他们绞尽脑汁想保留住肉味的火腿肠,反而因为强烈的淀粉感,再次受到欢迎。
这大概就是生活给火腿肠开的玩笑了。
————
肉糜制品的原罪,跟淀粉无关
像火腿肠一样被误解食材的肉糜制品还有很多,毕竟这种被切得看不出原材料的食品,一看就很好加料的样子。
然而,长成肉泥的模样, 并不代表生来就是“垃圾食品”。比像火腿肠这样的乳化香肠,代表还有最受欢迎的德国香肠之一——法兰克福香肠,正因其质地细致、均匀,内部柔软而出名,精选一定比例的瘦猪肉和肥猪肉,有着严格的配料和制作工序[8]。
法兰克福香肠,也叫维也纳香肠,口感和火腿肠一样细腻,经常用在热狗中 / 图虫创意
另一个经常风评被害的人群则是以鱼豆腐、墨鱼丸等为代表的鱼糜制品,其用料配比实际上也有着一定标准[9]。
它们真正的原罪,可能是食品安全问题和高盐问题。
肉制品本身极易受到微生物污染,在我国,熟肉制品是引起食源性疾病的高风险食品。有学者总结了1998年—2012年全国各地关于熟肉制品的微生物检查监督的报道,结果发现熟肉制品卫生质量差别极大,总合格率在8.62%—88.30%之间[10][11]。
刻意追求所谓不含肉的淀粉肠,不考虑渠道是否正规、产品是否达标,可能就是在卫生合格率的底线上疯狂试探。
另一方面,在火腿肠等乳化产品的生产过程中,盐浓度高才更方便提取出更多的蛋白质、更方便乳化,也因此火腿肠高盐几乎很难避免。一根50克的火腿肠,只要4根左右就能满足一整天的钠摄取[3]。
限于制作工艺,火腿肠中盐分高很难避免 / 图虫创意
只是能不能逃得过高盐可能不是火腿肠一个人的事,毕竟一碗泡面加一个火腿肠之后,晚餐就可以不用放盐了。大家喜闻乐见的油炸淀粉肠,出锅后还要再刷一层酱料。再配上火锅或麻辣香锅,快乐翻倍的同时盐分也不知道翻了多少倍。
如果不注重整体的饮食习惯,现代食品工业下,即便完全戒掉火腿肠也意义不大。
图片编辑:阿钊
文献审核:田园
微信编辑:Annie
————
大家好,这里是「好好生活事务所」。
我们希望打造一个生活消费品牌,为大家提供有用的消费价值观。
欢迎大家点击下方名片关注「好好生活事务所」: