---- 充电头网拆解报告 第1178篇 -----
魂斗罗、赤色要塞、坦克大战等等这些经典老游戏承载了很多小伙伴的童年回忆,虽说现在网游和手游已经基本取代了它们,但是只要看上一眼,仍会有无限感慨。最近我们拿到了一款游戏机移动电源GAME BOX POWER,这款产品将经典游戏元素和移动电源结合在一起推出,在应急充电的同时还能玩上300款童年经典小游戏。下面我们就对这款产品进行拆解,看看其设计做工如何。
一、游戏机移动电源外观
包装盒采用红白配色,并印有产品外观图以及“300 IN 1”和“GAME BOX POWER”字样。
盒子侧面印有300 IN 1字样,集300款童年经典小游戏于一身。
包装盒为天地盖设计,内部使用塑料盒对机子进行支撑固定,塑料盒两侧有凹槽设计,方便取出产品。
包装内含游戏机移动电源、USB-A to Micro线、AV线和产品说明书。
这款游戏机移动电源采用红色机身壳相当热血,正面印有K.O.字样,机子上端配有3寸高清屏,靠近屏幕的三个按键是选择键、复位键和开始键,再就是十字方向键和功能键。
背面两侧各有3颗螺丝进行封装固定,底部印有产品参数信息。
机身底部特写
名称:10000mAh 游戏机移动电源
型号:3th game
容量:9900mAh/10000mAh 36.6Wh/37Wh(MIN/TYP)
额定容量:6500mAh
电池:锂聚合物电池
输入/输出:5V/2A
重庆叁拾科技有限公司
机身顶部配有开关键、音量调节滚轮、手柄接口和电视接口。
底部配有Micro输入接口、电量指示灯、USB输出口和挂绳口。
产品净重约为261g。
二、游戏机移动电源拆解
孔内螺丝特写,采用的是十字螺丝。
拆掉螺丝打开机身壳,电芯直接放置在中心位置,电芯下面是大小两块PCB板,板子使用螺丝和固定柱固定。
电芯上印有参数信息:10000mAh 3.7V 37Wh,2019年4月30日生产。
拆掉螺丝将板子取出,三类按键上都配有导电橡胶垫。
功能键特写,其它两类按键一样的设计。
移动电源部分PCB板正面一览。
USB-A母座特写,沉板过孔焊接,数据脚短接。
1R0工字电感特写。
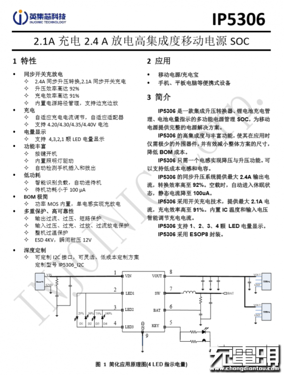
移动电源主控来自英集芯IP5306。这是一款集成升压转换器、锂电池充电管理、电池电量指示的多功能电源管理SOC,只需一个电感实现降压与升压功能。同步升压系统提供最大2.4A输出电流,转换效率高至91%。空载时自动进入休眠状态,静态电流降至50uA。芯片外围器件少,可以有效减小整体方案的尺寸,降低BOM成本。
英集芯IP5306详细资料。充电头网了解到,采用英集芯IP5306的产品还有绿巨能漫威10000mAh移动电源、iWALK 3150mAh口袋宝(3代)移动电源、南孚酷博便携充电宝、倍思充电器移动电源二合一10000mAh、台电A20双口移动电源等产品。此外同时,英集芯的快充芯片还可用于充电器、车充等领域,并获得市场高度认可。
苏州XYsemi赛芯微XB7608A多合一锂电保护芯片,用于电池保护。
苏州赛芯微 XB7608A 详细资料。
小板子背面一览,线芯过孔焊接,焊点饱满,移动电源升降压芯片背面过孔露铜散热。
电芯底部贴有青稞绝缘纸。
大块PCB板上连接高清屏和外放喇叭。
拆掉显示屏,板子中心位置是一颗通俗来讲牛屎封装的邦定芯片,旁边是一颗三星的芯片焊接在转接板上。
三星K5L2731CAA-D770,MCP芯片,内置128MB NOR和32MB RAM,同时封装闪存和内存,用于存储游戏和游戏运行。
1W 音频功率放大器采用Shouding首鼎LM4890S,放大音频信号驱动扬声器。
首鼎LM4890S资料信息。
游戏机部分的时钟晶振。
屏幕排线插槽特写。
排线上印有WL-283105-A1 PLUS字样。
外放喇叭上贴有双面胶,用来固定在机身上。
板子背面贴有两条泡棉来隔离电芯。
开关键外套金属壳焊接,非常牢固。
音量滚轮特写。
手柄接口特写,贴片焊接。
电视插口特写,过孔焊接。
全部拆解完毕,来张全家福。
充电头网拆解总结
游戏机移动电源GAME BOX POWER有红黑白三种颜色机身,机子配备3寸高清屏。产品集300款童年经典小游戏于一身,在给手机应急充电的时候可以玩这些小游戏打发时间,此外还支持外接手柄和连接电视,叫上好朋友一起对打或闯关。同时也是送朋友的很好礼物,实用又好玩。
充电头网通过拆解了解到,内部采用英集芯IP5306、赛芯微XB7608A多合一锂电保护芯片做移动电源部分,用料扎实。此外电芯包裹绝缘到位,线芯过孔焊接焊点饱满。游戏机部分采用三星芯片做存储配合邦定处理器,集成度很高。
以下热门话题可以点击蓝字了解,也可以在充电头网微信后台回复如下关键词获取专题
「技术专题」
USB PD、QC、VOOC、DFH、Qi、GaN、POWER-Z
「拆解汇总」
1000篇拆解、无线充拆解、充电器拆解、移动电源拆解、车充拆解、充电盒拆解、氮化镓快充拆解、100W充电宝拆解
「优质资源」
充电器工厂、快充芯片、电源芯片、升降压芯片(充电宝)、升降压芯片(车充)、无线充芯片、充电盒芯片(有线)、充电盒芯片(无线)、户外电源、氮化镓快充、18W PD快充、30W PD快充
「芯片原厂」
英集芯、智融、南芯、东科、芯茂微、环球、威兆、诺威、永铭、美芯晟、伏达
「品牌专区」
苹果、华为、小米、OPPO、vivo、荣耀、三星、ANKER、紫米、倍思、绿联
「展会报道」
USB PD亚洲展、无线充亚洲展、果粉嘉年华、香港展、AirFuel无线充电大会、CES展会
商务合作联系:info@chongdiantou.com