英飞凌是全球领先的半导体科技公司,是电源管理与功率半导体行业的引领者。针对快充应用,英飞凌已经推出了一些列优秀产品与解决方案,包括:
CoolMOSTM
同步整流OptiMOS™ PD(SR MOS)
负载开关OptiMOS™ PD
USB PD 协议控制器(CCG3PA和CCG3PA NFET)
多口DC/DC控制器(CCG7D)
高功率密度AC/DC控制方案(PAG1P/S, ZVS, AHB, PFC+LLC)
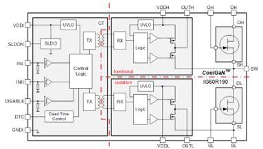
最近,英飞凌又推出了针对适配器的氮化镓(CoolGaN™)器件,为高功率密度适配器设计提供更好的选择。
支持开关频率fs高达1MHz
独立式GaN和集成驱动GaN,方便使用
支持MCU/DSP/FPGA/模拟IC的驱动信号
驱动电阻Rg可调,便于调整dv/dt,平衡效率与EMI困扰
典型高压GaN Rds(on)=140mΩ, 覆盖45W~300W功率段,低压100V GaN Rds(on)= 3mΩ
超薄(1mm厚度)的高压ThinPAK 8*8和低压PQFN 3*5 封装,有利于小型化设计
单管和半桥两种设计,可以适应QR, ZVS, ACF, Half-Bridge 等拓扑架构
欢迎索取资料和样品:Billion.Wu@infineon.com
更多资讯,请访问英飞凌网站GaN专题:http://www.infineon.com/gan
英飞凌将于3月26日参加2021(春季) USB PD&Type-C亚洲展,展位号A02,对英飞凌氮化镓器件感兴趣的小伙伴可于展会当日莅临展台洽谈。
温馨提示
充电头网
以下热门话题可以点击蓝字了解,也可以在充电头网微信后台回复如下关键词获取专题
「技术专题」
USB PD、GaN、LLC、SiC、QC、VOOC、DFH、Qi、POWER-Z
「拆解汇总」
1500篇拆解、无线充拆解、PD充电器拆解、移动电源拆解、PD车充拆解、充电盒拆解、氮化镓快充拆解、100W充电器拆解、100W充电宝拆解、手机快充拆解、18W PD快充拆解、20W PD快充拆解、大功率无线充拆解
「优质资源」
充电器工厂、氮化镓快充工厂、快充芯片、电源芯片、升降压芯片(充电宝)、升降压芯片(车充)、多口快充芯片、充电宝协议芯片、无线充芯片、充电盒芯片(有线)、充电盒芯片(无线)、户外电源、氮化镓快充、20W PD快充、30W PD快充
「原厂资源」
英集芯、智融、南芯、东科、芯茂微、茂睿芯、硅动力、环球、美思迪赛、富满-云矽、亚成微、诚芯微、必易、杰华特、英诺赛科、纳微、威兆、诺威、MDD、丰宾、永铭、云星、科尼盛、特锐祥、美芯晟、伏达、贝兰德、微源
「快充工厂」
「品牌专区」
苹果、华为、小米、OPPO、vivo、荣耀、三星、mophie、ANKER、紫米、倍思、绿联、CHOETECH、ZENDURE
「展会报道」
USB PD亚洲展、无线充亚洲展、果粉嘉年华、香港展、AirFuel无线充电大会、CES展会
商务合作联系:info@chongdiantou.com