![]()
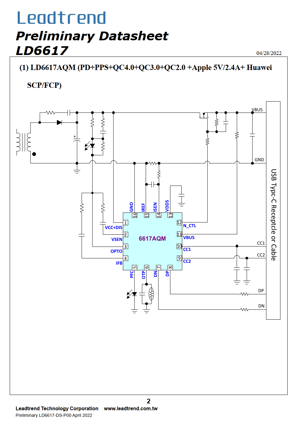
又到了每周一“报”的时间段了,充电头网周报是充电头网在每周末推出的汇总内容,主要汇总的是一周行业发生的大事小情,为大家节省时间。本周的热点内容主要有新品动态|2022亚洲充电展恢复举办;华科生推出迷你充;通嘉科技发布PD3.1协议芯片;氮矽合封氮化镓新品问世等。好了,下面进入今天的主题部分,来看看本周行业内的大事小情。本次周报的时间跨度为7月16日到7月22日,此次的周报主要从半导体以及新品发布进行汇总,方便大家快速定位。本周多家品牌推出了最新产品,包括充电器、车充、线材、主板等。随着疫情防控形势的好转,原定于7月18-20日举办的2022(春季)亚洲充电展恢复举办,举办时间为8月12日-14日(周五-周日),地点由深圳福田会展中心6号馆变更为3号馆,届时欢迎大家参观!8月12日(周五):2022(夏季)USB PD&Type-C亚洲大会8月13日(周六):2022(夏季)全球第三代半导体产业峰会近日,华科生更新了快充系列,其中就包括了 20W 迷你充,体积小巧迷你适配 iPhone 使用。华科生 20W 迷你充外观采用蓝色消光表面工艺,边角圆润,体型小巧可爱。接口配置方面,华科生 20W 迷你充采用单 USB-C 输出口配置,接口位于正前方靠上的位置,输出面板标注了“20W”功率字眼。近日华科生推出了一款 30W 氮化镓充电器,使用氮化镓技术制作,体积小外带方便,并具备 1A1C 两个输出口,可以同时对两款设备充电。USB-C 接口支持 30W PD 快充输出,可完全喂饱 iPhone 13 Pro Max 快充性能所需,并带有 15V、20V 高压档,兼顾平板、笔记本的充电需求。近年来,华为超级快充技术在旗下手机产品线中不断铺开,越来越多的用户享受到了高效的充电体验。但原配充电器只能覆盖有限的充电场景,无法满足用户在车内的快充需求。华为数字能源推出了一款57.5W 1A1C双口车充模块,未来采用该模块的车载充电器可以为用户提供高速的车内充电体验。近日,新斯宝推出一款 140W 2C 氮化镓充电器,双口均支持 USB PD3.1,针对 Macbook Pro 2021 与未来将上市的新设备提前做好市场布局。接口配置方面,共有两个 USB-C 输出口,两个接口都是基于最新一代 USB PD 快速充电标准开发,都支持 PD3.1 140W 快充输出,单独插入任意接口时均能获得相同性能。同时可向下兼容。近日,微星发布了一款采用 ATX12VO 规范的主板 —— PRO H610M 12VO,成为 ATX12VO 家族的新成员,为这个不温不火的小市场添砖加瓦。ATX12VO 可以精简 PC 电源设计,更容易做出大功率小体积的电源,机箱内部无需带着 24pin 粗线缆,走线更简单更美观,接口插拔便利度也会提升近日,公牛推出了一款新能源汽车放电伴侣,它由枪头、线缆、插线板三个部分组成,可以让拥有 V2L 对外放电功能的新能源汽车更好地服务用电设备。公牛新能源汽车放电伴侣枪头采用国标标准设计,材质方面使用高阻燃尼龙材料制作,拥有更高的耐高温特性,铜质插销使用了镀银工艺,提升电气性能与抗腐蚀性。2022 年 7 月,小米推出了 AD100 充电器后续迭代型号 —AD100G,升级为氮化镓方案,体积更小,保持 100W PD 通用快充输出,为笔记本等基于通用 PD 快充的电子产品服务。小米 AD100G 充电器相对于旧款 AD100,升级为氮化镓方案,体积更小,性能同样保持 100W PD 通用快充,带有 5V3A / 9V3A / 12V3A / 15V3A / 20V5A 五个固定电压输出档,可以为主流电子产品甚至笔记本提供大功率充电服务。近日,红魔推出了两款极具个性的快充产品,他就是氘锋能量块 65W 透明版、氘锋能量块 100W 透明版。这次红魔的两款氘锋氮化镓充电器更是拥有透明 ID 设计,让快充产品更具个性化,红魔以往多款充电器均带有多种常见快充协议,且支持大电流 PPS。红魔氘锋透明版接口多性能强,一个顶几个普通充电器,差旅出行仅需一个红魔氘锋快充,就能满足多款电子产品的充电需求。近日,公牛推出了一款飞碟造型的插线板,带有三个220V插孔还支持20W PD快充输出,并内置防雷抗浪涌模块,为用户守护设备用电安全。圆形扁平的外形就像飞碟,表面颗粒感处理手感细腻,边缘银色喷漆增加科技感。带有2个国标2+3插孔、一个两脚插孔,并全部配备儿童安全门避免触电危险。近日,业界知名快充厂商瑞嘉达针对 Macbook Pro 16 用户群,打造出 140W 三口氮化镓充电器,它支持新一代 PD3.1 快速充电标准,可输出 28V5A 140W 电力规格。瑞嘉达 140W 三口充电器拥有三个 USB-C 输出口,其中 USB-C1 支持 20W PD 快充输出,USB-C2/C3 支持新一代 PD3.1 快速充电标准,可输出 28V5A 140W,适配 MacBook Pro 16 2021使用。近日,SAN LIN 推出了新一代 240W 数据线,采用 Type-C v2.1 规格,支持 PD3.1快速充电标准。SAN LIN 240W 数据线按照 Type-C v2.1 新标准制作,EPR 芯片采用了易充 CPS8821,TID 4244,该芯片支持 USB PD3.1 快速充电新标准,最高支持 48V5A 240W 电力传输规格,还兼容 USB4 / 雷电4 / 雷电3 / USB3.2 数据传输。这周行业多家芯片原厂带来了最新的芯片和解决方案,包括氮化镓快充、新型桥堆、半桥控制器等。近日通嘉科技发布了一款 USB PD3.1 协议芯片 LD6617,助力 USB PD 3.1快充市场的蓬勃发展。通嘉 LD6617 是一款高度集成的 USB PD 3.1 控制器,集成嵌入式8位MCU、11位模数转换器、阻塞 N-MOSFET 驱动器、并联稳压器、电压/电流监视器和控制器,外围精简。近年来,随着智能手机性能、功能的快速攀升,消费者也会因此而有了“电量恐惧症”,所以续航或者充电时间则成为消费者购买时必须考虑的一个因素。因此,由安兔兔牵头,在充电头网与三易生活的支持下,三方共同针对目前市面上的主流智能手机产品,推出一份控制变量、能够更好反映消费者日常使用场景的方案。可以看到,目前榜单上的前十位机型,无一例外均配备了120W或更高级别的快充方案。其中榜首机型iQOO 10 Pro更是首发了200W超快闪充。在这份榜单中“称王”的依然是目前独占200W超快闪充的iQOO 10 Pro。只能说不愧是划时代的全新技术,无论充电时间、还是实际充电速度,iQOO 10 Pro都将其他机型甩在了身后。目前我们所公布的这两份充电榜单,仅仅只是当前测试条件下的“第一版”。未来,安兔兔还将与充电头网、三易生活共同合作,将更多机型和方向纳入评测体系中,同时也会针对用户关心的手机充电痛点(比如UI充电、兼容性等)进行详细测试。充电头网作为快充行业垂直平台,因本身存在评测拆解需求,所以充电头网拥有行业里最丰富的快充配件储备。针对用户对手机兼容性的关注度越来越高,充电头网斥资巨款建设了业内首个兼容性实验室,并设置专门的岗位对主流手机、数码产品、主流快充配件进行实测,最终制作成数据库。近日,充电头网兼容性数据库正式上线。近期,成都氮矽科技有限公司推出了两款合封氮化镓芯片 DXC0765S2C 和 DXC1065S2C,将 650V 增强型氮化镓晶体管及其驱动器封装在一个芯片内部,降低了氮化镓快充产品开发门槛,丰富了合封氮化镓电源芯片市场。这两款合封氮化镓芯片 DXC0765S2C 和 DXC1065S2C,采用 DFN5x6 封装,导通电阻分别为 400mΩ 和 200mΩ。通过将 650V 增强型氮化镓晶体管及其驱动器封装在一个芯片内部,既能够提升整体方案的性能,同时也能减少PCB板的占用,缩小尺寸并减少BOM成本。近期,沃尔德推出的DX系列逆变桥和LOW VF桥,可用于光伏逆变器、储能电源、UPS不间断电源、充电桩等清洁能源领域。同时还可用于传统逆变器、功放电源、工控电源、服务器电源等产品中,助力超大功率电源实现更高效率。本周的内容较多,受限于篇幅的原因只是对每篇内容进行了简单的介绍。在标题处添加了超链接,感兴趣的朋友可以直接点击超链查看具体文章详情。本次的周报就到这里,我们下周见!
「峰会报名」
2022(春季)亚洲充电展期间热门峰会开启报名
![]()
![]()
以下热门话题可以点击蓝字了解,也可以在充电头网微信后台回复如下关键词获取专题
「电源芯片」
南芯、英集芯、智融、茂睿芯、必易微、美芯晟、杰华特、华源、硅动力、富满云矽、芯海、天德钰、贝兰德、力生美、创芯微、稳先微、宝砾微、东科、易冲、拓尔微
「被动器件」
特锐祥、贝特、沃尔德
「氮化镓」
纳微、英诺赛科、聚能创芯、能华、威兆、镓未来、微硕、Elevation
「连接器」
超讯
「快充工厂」
航嘉、古石、酷科、鹏元晟、瑞嘉达、天宝、田中精机
「品牌专区」
苹果、华为、公牛、mophie、绿联、航嘉、TRüKE充客、机乐堂、爱国者、魔栖、TECLAST台电、图拉斯、Mcdodo麦多多、MOMAX
商务合作联系:info@chongdiantou.com
![]()