随着USB PD3.1协议的推出,将充电器的输出功率自20V5A到对应的28V、36V和48V,电流不变仍为5A,输出功率同步提升到240W,从而大幅扩展了充电器的使用范围,满足更大功率快充的需要。此次英诺赛科针对市场需求推出了一款高效、高功率密度240W氮化镓应用方案。这款参考设计采用BTPPFC+LLC架构,方案中PFC采用无桥图腾柱PFC拓扑,该拓扑消除了传统PFC电路输入端存在的二极管整流桥,从而大幅提高了效率和功率密度。PFC开关管采用GaN,可以实现更高的开关频率,进一步提供功率密度。LLC采用高频方案,最高频率400kHz,搭配控制器较小的死区时间,可缩小磁件体积、减小线包直流损耗,有效提升效率和功率密度。- 拓扑 CRM Totem Pole PFC + LLC
- 关键器件 Featured Innoscience Products:
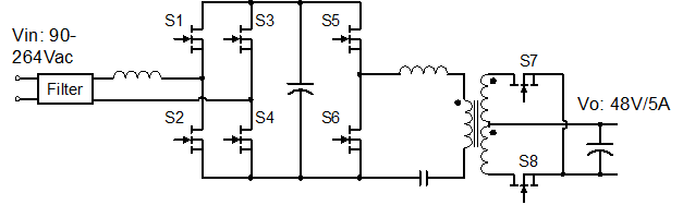
- S1/S2/S3/S4 : INN650D080B, 650V/80mΩ, DFN 8x8mm
- S5/S6 : INN650DA260A, 650V/260mΩ, DFN 5x6mm
- S7/S8: INN150LA070A , 150V/7mΩ, LGA 2.2x3.2mm
规格参数见表1,PFC开关频率最大200KHz,LLC开关频率最大400KHz,峰值效率高达97%。主要特征优势丨Features and Advantages- 高频:350~400kHz (VS Si MOS solution:65kHz-150kHz)
- 高效率:97% (230Vac),95.2% (90Vac) VS Si MOS solution:效率提高2%
- 高功率密度:38.7W/in3(PCBA)VS Si MOS solution:体积减小70%
该方案的PCBA由EMI滤波板+主板+半桥功率板组成,布局简洁、紧凑。BTPPFC(Bridgeless Totem Pole PFC)
PFC升压开关管采用两颗英诺赛科INN650D080B氮化镓开关管搭配驱动器组成快速半桥,这是一颗耐压650V,瞬态耐压800V的增强型氮化镓开关管,导阻为80mΩ。支持超高开关频率,无反向恢复电荷,具有极低的栅极电荷和输出电荷,符合JEDEC标准的工业应用要求,内置ESD保护,符合RoHS、无铅、欧盟REACH法规。如表1所示,同等RDS(ON)情况下,氮化镓的寄生电容更小,Ciss和Crss分别是Si CoolMOS的1/12和1/23,从而具有更快的开关速度,在BTPPFC快桥臂中,电流和电压交叠时间减小88%以上(见图2),米勒平台时间几乎为零(见图3),总的开关损耗至少减小70%。![]()
表1:Ciss/Crss Comparison (InnoGaN vs Si CoolMOS)图2 switching speed is more than 8x faster than silicon FET![]()
图3 Miller Platform ComparisonInnoGaN的Coss更小且线性度更好(见图4),在Vds低的时候GaN的Coss远远小于Si MOS,且Si会有一个斜率突变的过程。从系统波形可以看到,GaN的开关交叠损耗远小于Si MOS,t2-t3段GaN的Dv/dt比Si MOS更小,所以产生的EMI噪声也更小。LLC半桥的两颗氮化镓开关管采用英诺赛科INN650DA260A,这是一颗高性价比、耐压650V的氮化镓高压单管,瞬态耐压800V,最大导阻260mΩ,DFN5×6封装。得益于工艺改进,相比英诺赛科第一代氮化镓器件,性能有明显的提升,适用于65-120W的反激架构,120-300W的LLC架构。INN650DA260A支持超高开关频率,无反向恢复电荷,具有极低的栅极电荷和输出电荷,符合JEDEC标准的工业应用要求,内置ESD保护,符合RoHS、无铅、欧盟REACH法规。氮化镓具有更快的开关速度,Co(tr)是Si的1/8(如表2),由t_deadmin ∝ Co(tr)*Lm*fs,可减小死区时间约75%,降低谐振腔电流有效值,有效降低LLC的环流损耗,提升效率。同时有利于提升频率,减小磁件的体积,提高功率密度。![]()
表2:Co(tr)/Qg Comparison (InnoGaN vs Si CoolMOS)![]()
整机性能
得益于新拓扑以及高性能的氮化镓应用,在90Vac~264Vac全电压范围,输出满载工况下,最高效率达到97%,平均效率最高达96.5%。BTPPFC慢桥臂采样Rdson更小的功率管,效率可进一步提升。据英诺赛科对整机的温升测试,在环温25℃、无主动散热措施、输入90Vac、输出48V/5A工况下老化,PFC GaN管温度114℃,LLC GaN管温度84.7℃。同步整流管的温度分别为83.4℃。在氮化镓的加持下,整机效率高,器件温升低,系统温升易处理。![]()
![]()
英诺赛科推出的240W氮化镓快充电源为48V/5A输出,满足USB PD3.1的240W功率上限,电源内置了四颗英诺赛科最新推出的INN650D80B超低导阻氮化镓开关管,搭配无桥图腾柱PFC控制器和两颗驱动器,组成两个半桥,分别用于升压及整流。氮化镓更快的开关速度有效降低开关损耗,同时利用拓扑优势消除了升压PFC电路中整流桥的功率损耗。LLC部分采用高频方案,利用氮化镓快速开关优势,缩小死区时间,提升效率并提高开关频率。输出同步整流使用两颗英诺赛科低压氮化镓开关管,减小高频下驱动IC的损耗,减小驱动IC过热的风险,同时更快的开关速度可配合原边侧减小死区时间,提高整机效率。电源采用小板组合焊接的方式,提升空间利用率,发热器件分别焊接在不同的小板上,均摊发热,能够降低局部温升,简化散热设计。英诺赛科将参加充电头网举办的亚洲充电展,展位号位于C62-C65,届时包括这一套方案在内的多套氮化镓电源方案实物将会一起展示,感兴趣的欢迎前往了解,与英诺赛科的工作人员进行深入交流。相关阅读:
1、英诺赛科推出65W All GaN方案参考:效率达94.6%
2、英诺赛科InnoGaN助力双USB-C快充市场新风口
3、英诺赛科推出高性能All-GaN解决方案,助力USB PD 3.1快充发展
4、英诺赛科200W氮化镓3C2A快充方案上手:多口充电不减速
5、英诺赛科推出200W氮化镓LED电源方案,功率密度翻倍
![]()
![]()
以下热门话题可以点击蓝字了解,也可以在充电头网微信后台回复如下关键词获取专题
「电源芯片」
南芯、英集芯、智融、茂睿芯、必易微、美芯晟、杰华特、华源、硅动力、富满云矽、芯海、天德钰、贝兰德、力生美、创芯微、稳先微、宝砾微、东科、易冲、拓尔微、恒成微
「被动器件」
特锐祥、贝特、沃尔德、柏瑞凯
「氮化镓」
纳微、英诺赛科、聚能创芯、能华、威兆、镓未来、微硕、Elevation
「连接器」
超讯
「快充工厂」
航嘉、古石、酷科、鹏元晟、瑞嘉达、天宝、田中精机
「品牌专区」
苹果、华为、公牛、mophie、绿联、航嘉、TRüKE充客、机乐堂、爱国者、魔栖、TECLAST台电、图拉斯、Mcdodo麦多多、MOMAX
商务合作联系:info@chongdiantou.com
![]()