前言
绿色新能源发展模式已经对产业结构及消费方式有着深远的影响,锂电池作为当下最成熟的绿色能源之一,正在走向全球替代。
解决锂电池安全技术攻坚的关键在于BMS(电池管理系统),而在BMS系统可靠性的核心套片IC中,负责高精度电压等信息采集的AFE(模拟前端芯片)相较于一般消费类电子芯片产品的本质区别在于:门槛较高,技术壁垒较难突破,国内较少厂商涉猎,一直是芯片国产化的缺口。AFE的附加值也在不断增强的国产竞争优势中愈加明显。
充电头网获悉,近期创芯微在BMS系统系列芯片取得多项核心技术的突破性进展,自主研发设计的AFE模拟前端芯片新品 CM20X6 系列已经面向市场。
亮点介绍
创芯微作为业内为数不多同时覆盖电池&电源管理解决方案的原厂,5年来始终紧随市场需求,专注于电池管理和电源管理芯片开发。近期创芯微针对市场缺口推出的模拟前端芯片 CM20X6系列,用于 3~8 节锂电池检测。
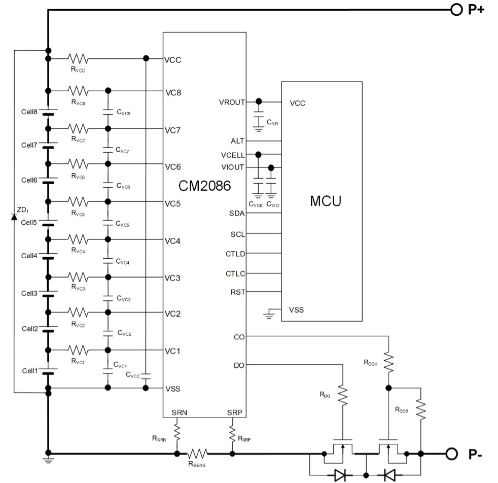
从功能来看,创芯微 CM20X6 系列芯片可以协同外部 MCU 对锂电池组进行过充电保护、过放电保护、过电流保护,短路保护等一系列动作,该系列芯片可支持8节串联锂电池组的各类应用。
与行业内其他竞品相较,创芯微最新推出的AFE模拟前端芯片性能优异。CM20X6 系列可以将每一节电池的电压状态和电池组的电流状态传输给外部协同的 MCU,MCU 读取电池组电压状态和电流状态后判断电池组是否进入过充电、过放电、过电流、短路等各需要保护的异常状态,并控制 CM20X6 通过 CO、DO 等控制引脚去开关充放电 MOS,从而实现各项保护动作。
功能特点
创芯微 CM20X6 系列内部集成了线性稳压 LDO,其可提供 3.3V/5V 稳压输出,可以为外部MCU 提供稳定电源。MCU 通过内部 ADC 可以测量 CM20X6 系列输出的电压电流信息,并通过设定的程序来判断电池组是否需要过压、过流等保护动作。
创芯微新推出的 CM20X6 系列典型应用如上图所示,CM20X6 系列与次级保护 CM1270、CM1273 系列芯片组合搭配,可以做成锂电池应用的双保护方案,以此通过 LPS 及 UL 等各种认证。
创芯微 CM20X6 产品系列脚位图及应用领域如上图所示。在未来,创芯微 CM20X6+CM1270/CM1273 方案可覆盖电动工具、吸尘器、扫地机、储能电源、后备电源等应用领域以及其他使用锂电池组供电的设备,满足更多用户的需求,并向大型电动工具、大型家电等应用领域延展。
关于创芯微
深圳市创芯微微电子有限公司成立于2017年5月,是一家专注于高精度、低功耗电池管理及高效率、高密度电源管理芯片研发和销售的集成电路设计公司,公司总部位于深圳市龙岗区宝龙科技城智慧家园,在珠海和西安设有研发中心,在上海设有销售和技术中心。
公司创始团队来自全球知名IC设计公司,核心团队拥有超过15年以上电池管理芯片(BMS)和电源管理芯片(PMIC)设计、研发和生产测试经验,公司累计获得发明专利18项、实用新型专利15项、集成电路布图设计29项。
创芯微微电子专注于电池管理和电源管理芯片开发,并成功导入小米、OPPO、VIVO、传音、荣耀、一加、realme、欣旺达、安克、宜家、沃尔玛等多家国内外一流客户并大批量使用,产品已广泛应用于手机、可穿戴设备、对讲机、电动工具、手持式吸尘器、喷雾器、太阳能路灯、蓝牙音箱、小功率储能、锂电池充电器、20~65WPD快充、旅充、适配器、排插、充电宝等众多领域。
目前,公司已经通过国家高新技术企业认证、ISO9001认证、知识产权管理体系认证等,并于2021年通过“国家级专精特新小巨人”企业认定。五年发展,创芯微始终坚持自主设计、自主创新,并与国内外顶尖晶圆、封装供应商密切合作,为客户提供高性价比电池电源管理解决方案,为客户提供更好、更优质的Turn-Key服务。
充电头网总结
AFE模拟前端芯片的推出不只是创芯微产品线完善补全的重要部署,更是创芯微践行芯片国产化发展格局下的重要里程碑。未来五年创芯微在工业、汽车领域也将继续拓宽更丰富的产品系列,实现更加广泛的国产化替代,让我们共同期待。
相关阅读:
1、创芯微CM1020-L+CM1010-E锂电保护方案为安克65W超极充保驾护航
2、行业内少有的整合电池&电源管理解决方案的集成电路设计公司,创芯微完成近2亿第二轮融资
以下热门话题可以点击蓝字了解,也可以在充电头网微信后台回复如下关键词获取专题
「电源芯片」
南芯、英集芯、智融、茂睿芯、必易微、美芯晟、杰华特、华源、硅动力、富满云矽、芯海、天德钰、贝兰德、力生美、创芯微、稳先微、宝砾微、东科、易冲、拓尔微、恒成微、Elevation
「被动器件」
「氮化镓」
「快充工厂」
「品牌专区」
苹果、华为、mophie、绿联、航嘉、公牛、TRÜKE充客、机乐堂、爱国者、魔栖、TECLAST台电、图拉斯、Mcdodo麦多多、MOMAX
商务合作联系:info@chongdiantou.com