USB PD(USB Power Delivery)供电协议,是一种基于Type-C接口,在100W内的电子设备间相互传输电力的协议,典型的使用场景就是手机、笔记本、显示器、游戏机的供电。
自从我们的手机支持快充以后,快充充电宝也随之跟进,从最早的5V 1A或者5V 2.4A输出到单串锂电最大输出18W的方案进化至现在2到4串电池可以输出45W甚至65W的功率为笔记本充电的同时,效率也随之提升。满足我们对碎片化时间充电的需求。
当前单锂方案受到效率限制,无法输出几十瓦的大功率的。多串方案很好的解决了这个效率问题,但是随之而来的成本问题,在需求面前得以解决。升降压方案的同步整流,提高了转换效率,使得大电流充放电的发热降低,我可以大功率输出而不过热,这就是卖点。
手机随着电池容量的不断提升,快充方案的加持,推动着充电宝不断增加新的协议支持,从最早的QC2.0到现在将要推出的QC4.0+,每一款协议都是对充电宝的重新洗牌。只有技术实力最强的厂家,才能抓住每一次机遇,把握风口,推出新品。
USB PD虽然是未来10年最受欢迎的消费类电源快充技术,但是在普及的道路上还得靠行业齐心,共同发力。普及路上这些小伙伴们都做出了重大贡献,今年3月份任天堂发布的Switch掌机,第一次在游戏机上使用了Type-C接口和USB PD供电协议,当时市面上支持switch的充电宝屈指可数,本来设计出来给小米笔记本和Macbook用的紫米10号,因为Switch的大卖几乎脱销。随后,小米推出的年度旗舰小米6也被曝支持USB PD充电。今年9月份,苹果新发布的三款iPhone在支持Apple2.4充电协议的基础上,也加入了对USB PD的支持。自此,USB PD充电宝迎来全面爆发。
随之而来的是诸多针对USB PD的元器件、芯片、方案如雨后春笋涌现出来,面对这一风口,充电头网通过拆解多款热销USB PD充电宝,扒开产业真相。这几款USB PD充电宝分别是紫米10号、全汉PD20000、BestKEY PD移动电源、罗马仕SENSE6+。
紫米10号是紫米去年12月推出的一款金属外壳20000mAh充电宝,支持QC3.0、FCP、USB PD等快充协议,可给笔记本、手机、Switch充电。
全汉PD20000充电宝,同样具有金属外壳和20000mAh容量,支持USB PD和QC3.0,总输出高达80W,可以说是USB PD充电最强的存在。
BestKEY PD移动电源主体采用黑色壳体打造,配以玫瑰金色边框作为点缀,这个角度可以看到一共带有三个接口。
罗马仕SENSE6+是继SENSE6后推出的又一款电商爆品,也是首款100元左右的20000mAh USB PD充电宝。
一、拆解看内在美
1、紫米10号
一共3个接口,分别是两个USB-A,中间是Type-C负责双向充电跟输出。
底部是参数印刷,江苏紫米生产,电池容量可以看到是20000mAh,输入5-20V 45W,输出Type-C 5-20V 最大40W。TYPE-A 2×5.0V 2.4A,9.0V 2A,12V 1.5A MAX18W。
外壳是1.5MM厚的铝合金,很结实,完全不能无损打开,只能通过暴力撬开。
侧面看到铝合金外壳的厚度,里面是一个胶盒。
双面黏住的,打开非常吃力。
铝合金外壳很里面的塑胶盒是用胶水强力黏住的,不是逐步剪开基本上是打不开的。
好不容易拆掉一片,里面隐约看到有紫皮电池,外壳跟胶盒每个位置是黏住的。
铝质外壳全部拆开。
条状的塑胶保护片剪开。
充电头网两位编辑,从1月9日凌晨3点39分开始对ZMI 10号移动电源进行拆解。中途历经种种磨难,两人绞尽脑汁历时两个小时,终于窥得庐山真面目。
PCB部分。
全部碎片。
铝合金外壳已经是碎片了。
拆解后看到电池组,LG3350的18650电池,一共六节,加起来电池组是20000mAh的容量。
电池组另外一面。
串联的电池组,电池组为2串3并结构,镍带与电池之间有硬质塑料隔离架,确保安全。
底部镍带电焊工艺。
PCB部分,首先映入眼帘的是一块L型黑色PCB,这和小米16000双口输出的布局接近,使用3颗螺钉固定。同时电池组上仍旧有PACK信息标贴,电路板侧保留着一贯的NTC电池温度检测,在非正常温度下会切断连接确保安全。
电池为2串3并设计,黑线负极,红线正极,蓝线中间抽头。这一面集成了ABOV单片机,GL850G USB2.0 HUB芯片,3颗天钰FP6601Q,Intersil ISL95538,TI的那颗大电流降压就是TPS51225C。
图中,蓝色为TI TPS51225C, 白色框为ABOV单片机,黄色框为GL850G,红色框为Intersil ISL95538。
TI TPS51225C 丝印编号1225C。
TI TPS51225C实际上有双路同步整流输出,这里只使用了一路,作为5V输出,可以看到第二组MOSFET的驱动输出都没有走线。下面的拆解继续证实只用了一路输出做降压。
紫米这个电源电池2串,效率曲线按照灰色的8V来看,在1-4A的输出电流范围内,效率都达到了95%以上,非常高的效率。
Intersil ISL95538主控芯片是这款电源的重头戏,更是这个电源可以20V输出的核心,在苹果最新的newMacBook中也有使用。也许有人会问,这电源为什么我没看到紫米常用的BQ25895之类的充 电芯片,我告诉你,这颗芯片,是一颗双向H桥同步整流升降压芯片,可以为移动电源输出设定的电压,反过来,也可以从输出口取电为内置电池充电。
Intersil ISL95538的H桥架构为这款移动电源提供了强大的输出能力,足以吊打市面上20000mAh移动电源。同时,其输出电压由i2c总线或者SMBus总线编程,具有极高的可靠性。
3颗天钰FP6601Q,负责3个端口的QC3.0支持。这是一款明星识别芯片,占据了QC3.0移动电源的大部分份额。在支持QC3.0的同时,向下兼容QC2.0,支持5V设备的自动识别,最后还解决了华为FCP移动电源过少的老大难问题。
创惟GENESYS GL850G,常见的一款USB HUB芯片,在这个移动电源里面,将两个A口作为笔记本外设就是靠它来实现的。旁边那颗是12M贴片无源晶振。
ABOV F6432AUB单片机 ,根据ISL95538的总线和附近的3只6601Q来看,单片机最少具有2路以上的内置AD采样。多个电子开关将对应端口反馈电压切换 到单片机内AD,再转换成数字通信模式传送至升降压控制器,设定输出电压。数字总线具有高可靠性,不易被干扰,通用性强大等诸多优点。
Fairchild可编程Type-C/USB PD控制器FUSB302。
Fairchild的USB Type-C解决方案FUSB302可满足各种各样的 USB Type-C应用要求。在产品选型时,具有可编程功能的器件,相比单一功能的识别,可以提供更多的选择和灵活性。Fairchild的一些USB Type-C解决方案具有基本的功能,比如可以检测连接、定向和设备类型(双角色端口、下行端口和上行端口),而进阶方案则可支持更多高级功能。 这些高级功能包括数据角色交换、功率角色交换、硬复位、软复位、有源电缆支持、供应商自定义消息(VDM)数据包传输和高达100W的高功率充电。
正面芯片介绍完以后,我们接下来看反面。反面是一些MOSFET和两个电感,其中一个10*10电感为ISL95538使用,另外一个7*7规格的电感,自然就是TPS51225C的5V输出降压电感了。
下面将主板放大,可以看到按键和电量指示灯。按键依旧沿用侧面风格,因为顶部使用了Type-C接口,电量指示灯也移植到侧面了。电感打胶固定兼顾散热。可以看到很多个DFN3*3的小MOS管,下面为大家详细介绍。
6个竖排下来的MOSFET是东芝的TPCC8104,PMOS用来切换两组输出,每个输出口2个,3个输出口共计6个。TSON Advance提供更好的性能。大电感附近的MOS是AON7534,负责同步整流升降压。另外TPS51225C的降压也是这个管子。两颗合金电阻,提供比陶瓷电阻更大的耐过流能力。AON7534具有较低的导通内阻,较低的Ciss,适宜于应用到DC/DC设备上。3*3mm的小封装节省占板面积。
ZMI 10号移动电源在每个端口依旧做了负载检测和过流保护,前面看的TPCC8104只是为了切换是从降压上输出5V还是输出QC3.0的其他电压。
2、全汉PD20000
全汉PD20000从型号上就可以得知,这是一款容量为20000mAh的移动电源,壳体材质使用铝合金制作,表面阳极黑处理。
使用带有PD输出探测的POWER-Z KM001 USB监测仪对全汉PD20000进行PD输出电压档探测,从KM001屏幕上可见到,全汉支持5个PDO电压档,分别是5V3A/9V3A/12V3A/15V3A/20V3A。
全汉PD20000移动电源与大多数铝合金移动电源装配方式类似,把面板轻轻撬起后就可以看到4颗十字螺丝。
拧出十字螺丝后把限位挡板拿出来后,铝合金外壳与内构盒推拉分离,可以无损拆解。
打开内构盒,上下合盖方式装配。
内构盒材质为阻燃防火PC+ABS,这种材质具有很大强度保证坚固度,同时还有一定韧性受到冲击时也不会发生断裂。
使用了8颗18650组成通过2并4串组成电池组,电芯喷码ISE18650 3.7V 2600mAh。
电池组PACK工艺较好,一体性强,没松松垮垮感,每串电池都有耐高温硅胶线连接每一串检测电芯电压,避免单串过充过放。
在壳体上粘附了一大块高分子导热硅胶垫,把PCB上高发热器件的发亮匀热后传递到壳体上进行散热。
镍带点焊牢固,电池与镍带之间做好了青稞纸绝缘处理。
PCB正面一览。
PCB背面一览。
赛普拉斯 Cypress CYPD 2122,PD通讯握手IC。
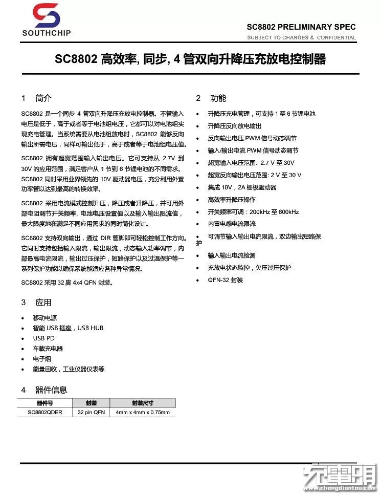
上海南芯SOUTHCHIP SC8802升降压充放电控制器。南芯SC8802拥有超宽范围输入输出电压。它可支持从2.7V到30V的应用范围,涵盖QC3.0最低电压到USB-PD最高输出级别输出。满足客户从1节到6节锂电池的不同需求。当系统需要从电池组放电时,SC8802能够反向输出所需电压,同样可输出低于,高于或者等于电池组电压值。南芯SC8802可以升压,降压或者升降压,并可用外部电阻调节开关频率, 电池电压设置值以及输入输出限流值,最大限度地在满足不同应用需求的同时简化设计。这使单口TYPE-C大功率输出成为了可能。同时南芯SC8802系列支持包括输入限流,输出限流,动态输入功率调节,内部最高电流限流,输出过压保护,短路保护以及过温保护等一系列保护功能以确保系统能适应各种异常情况。
USB-A口支持QC3.0等多种快充输出,由FT4RKK搭配NY6SC组成, 前者是天钰FP6601Q多协议快充芯片, 后者是矽力杰sy8105同步降压IC。
25V220μF电解电容下面是一条遮光海绵,里面每颗指示灯都是一个隔舱避免串光。
接口细节。
撕开绝缘用的青稞纸看看电池组保护板部分。
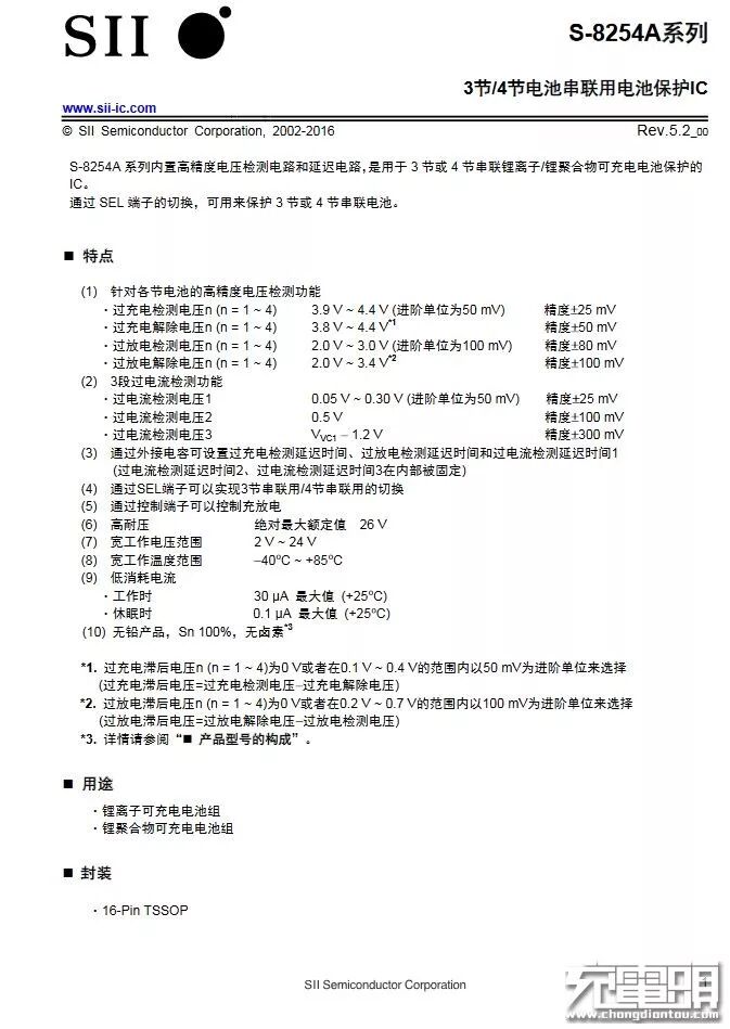
日本精工多串锂电池保护IC S-8254A。
六颗 新洁能NCE20P45Q MOS,满足大电流充放的需求。
3、BestKEY 19500mAh
BestKEY PD移动电源主体采用黑色壳体打造,配以玫瑰金色边框作为点缀,这个角度可以看到一共带有三个接口。
玫瑰金配色边框。
壳体表面三角纹路,有一定防滑作用。
左侧是MicroUSB输入接口,支持QC2.0快充输入。
右侧是电量激活按钮,可以看到面板上有4颗蓝色LED电量指示灯。
顶部面板左边是常见的USB-A输出接口,支持QC3.0输出;右边是支持双向PD的USB-C型接口。
三围尺寸来说就比较惊人了,左右手对比简直可以以1抵3。置富PD移动电源长宽厚为:175mm * 82.1mm * 22.7mm,重量为460g。
背部铭牌信息如下,容量:19500mAh、MicroUSB输入(QC2.0):5V3A / 9V2A / 12V1.5A、Type-C输入(PD2.0):5V3A / 9V3A / 12V2.5A 15V2A 20V2.25A(MAX)、USB-A输出(QC3.0):5V3A 9V2A 12V1.5A(MAX)、Type-C输出(PD2.0):5V3A / 9V3A / 12V2.5A 15V2A 20V2.25A(MAX)。
使用POWER-Z KT001 对 USB-A 输出接口进行快充协议轮询检测,实测USB-A输出支持QC2.0、QC3.0。
POWER-Z KT001 USB-C PD报文如图。
USB-C 最大输出功率实测高达 19.5V 2.49A,48.7W。
置富PD移动电源壳体采用全卡扣设计,卡口宽大韧性高,只要你够小心就可以做到无损拆解。
卡口细节。
LED导光条与遮光海绵。
粉色底盖三条突起限位柱比较细小,虽然电池组是被双面胶粘附在壳体上并不怎么会滑动,但遇到掉落等情况时,电池收到冲击力可能会撞击这三根限位柱,软包电池是比较怕遭遇挤压的,可能会导致内部出现短路刺穿等问题,强烈建议厂家改善一下,把这3根限位柱做成宽大片式,并在电池周边贴上缓冲海绵垫。
电池组采用了深圳赛骄阳能源的3串软包电芯,单片容量6500mAh(3片总容量19500mAh),串联起来就是容量6500mAh、能量72.15Wh、放电平台11.1V的电池组。喷码:SJY 6071129 6500mAh 11.1V,HH17 20170908 72.15Wh。
NTC温度探头直接放在电池体身上,测温保护会更加准确。
PCB正面一览。
PCB背面一览。
USB-A母座细节。
USB-C母座细节。
MicroUSB母座细节。
HTL6023A,是一颗用于12.6V三串电池组的锂电保护板IC。
电池组保护板由四颗4410 MOS管组成,左上角8205通到D+D-,用来做USB-A的短接/DCP兼容识别,右上角的Q1是USB-A输出互锁/保护。
四颗美国泰德Techcode TDM3452,同步整流升降压电路部分mos管。(有一颗在背面)
四颗美国泰德Techcode TMD3307,用作MicroUSB输入、USB-C输入/输出切换。
常州华威Chang 220uF 35V 电解电容。
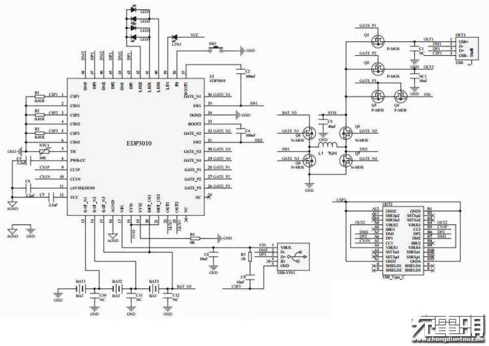
方案采用了苏州易能微EASEPOWER EDP3010,易能微电子EDP3010芯片可以支持各种电源拓扑结构,升降压结构可以支持多串电池并带电池均衡功能,充放电效率可以轻松做到94%以上,可以支持高达100W的快充应用。芯片内部还集成了充放电管理模块、电量计、LED指示模块,电池均衡模块,以及温度保护,电池过充和过放保护,输出过压/欠压/短路保护,电流过流保护,充/放电反向电流保护,适配器欠压保护等多重安全保护功能,该芯片方案是目前效率非常高,元件较少。
4、罗马仕SENSE6+
拥有20000mAh容量的罗马仕sens6+的体型看起来并不大,与iPhone 8 Plus差不多。
ChargerLAB POWER-Z KT001测得Type-C接口支持输出,符合USB PD3.0规范。具备5V/2A、9V/2A、12V/1.5A三种输出,最大输出能力18W。
USB-A口支持Apple、QC2.0、QC3.0、FCP等会快充协议。
sense6+移动电源外壳同样是卡扣结构,拆解起来比较容易。sense6+采用的是是锂离子电池,外壳内侧非常平整、光滑,这样也是为了避免电池包受损。
与sense4+不同的是,sense6+的动力部分由两款10000mAh的锂离子电池包并联组成,20000mAh的大容量电池确保了足够的续航时间。电池四周以及上下表面均贴有泡沫胶,起到防震抗摔的有用。正负极部分由马拉胶带包裹,绝缘措施比较到位。
升降压部分,PCB板正面非常干净,零星分布着几个电子元件,四颗LED电量指示灯同样使用黑色海绵隔开。并没有使用镍带连接电池,而是采用一红一黑的两根铜质导线。
PCB板这正面可见三个不同类型的充电接口;电感、芯片、触点了开关等元器件有序排布。
MicroUSB、Type-C、USB-A三个接口依次排开,其中USB-A接口为绿色舌片,寓意为支持快充。
PCB板依旧非常小,这都得益于多合一的电源芯片。这种用料少、小尺寸的高集成电源芯片,一方面提高可靠性,一方面降低成本,一方面,一体化IC显著降低开发难度。
sense6+使用的电源芯片同样是采用SW6103,有珠海智融科技提供。
SW6103是一颗高集成度的双向快充移动电源专用多合一芯片,支持PD3.0、QC3.0、FCP、PE、SFCP等快充协议。
二、四款充电宝硬件大比拼
1、主控芯片架构
紫米10号采用ISL95538双向同步升降压芯片,提供45W输出功率。
全汉PD20000采用南芯SC8802双向同步升降压芯片,提供65W输出功率。
BestKEY 19500mAh采用的易能微EDP3010双向同步升降压方案,芯片具有可重构理念,提供45W输出功率。
罗马仕sense6+由于输出功率较小,采用了智融SW6103一体化芯片,18W输出功率。
值得一提的是,在这几款USB PD移动电源芯片当中,仅有智融SW6103不是升降压架构;但它主打USB PD手机充电市场,凭借着高集成度设计,让20000mAh充电宝拉到了百元以下。
2、协议芯片
紫米10号内置两种识别芯片,分别是Fairchild FUSB302,负责USB PD识别;天钰FP6601Q,使每个接口都有QC3.0支持。
全汉PD20000采用Cypress CYPD2122协议芯片。
BestKEY 19500mAh采用的协议芯片内置在了EDP3010主控里。
罗马仕sense6+采用智融SW6103多合一芯片,内置协议识别芯片。
3、电芯类型
紫米10号采用6节18650钢壳电芯通过两串三并组成电池组,电芯是韩国LG F1L,单节容量3350mAh,放电平台3.63V,最大放电倍率1.5C(4.8A)。
全汉PD2000采用8节18650钢壳电芯通过四串二并组成电池组,电芯喷码ISE18650 3.7V 2600mAh。
BestKEY 19500mAh在电芯方面采用3串软包电芯,单片容量6500mAh(3片总容量19500mAh),串联起来就是容量6500mAh、能量72.15Wh、放电平台11.1V的电池组。
罗马仕sense6+采用两片软包电芯并联组成电池组,虽然并联单锂4.2V升压的效率上不及上面几个大功率品牌多串方案,但手机充电场景使用已经足够。
4、设计水平
紫米10号采用复杂的塑料结构制作出上下内框架,PCB与每颗独立的电芯都被牢固的锁定位置,表面再使用高粘性胶粘附铝合金外壳,整体性非常强,空间利用率高,而且使用的电池能量密度也较高,所以紫米10号体积也是几款产品里最小的。编辑评语:拆解困难、强度出色、外观精细。
全汉PD20000也使用了常见的铝合金外壳搭配推拉式内框架设计,上下两块塑料结构件把电芯跟PCB包裹起来,并且带有一大块导热软硅胶垫把大功率转换时产生的热量传递给壳体,大功率下使用也不用担心会过热。
BestKEY 19500mAh采用了塑料外壳,搭配聚合物电芯,重量、便携方面非常有优势。
罗马仕sense6+壳体与常见的罗马仕移动电源差不多,都是PC+ABS壳体制作,有一定韧性可以抵抗冲击力,耐磨性也不错。
5、成本分析
紫米10号、全汉PD20000、BestKEY 19500mAh属于同一梯队,同步双向升降压的加持,加上20000mAh的容量,以及秒杀传统移动电源的输出能力,成本自然会比常见移动电源高。
罗马仕sense6+与上面几个怪兽不同,是按照18W功率设计制造的,功率并不高,所以并未采用串联电池组,而是使用4.2V电池组,珠海智融SW6103全整合方案兼顾了开关充电与升压输出,连握手识别功能、电量指示与周边控制功能也包含在内。罗马仕sense6+只为手机服务,18W功率也够大部分手机使用了,尽可能产品降低成本让PD快充产品售价平易近人是sense6+的最终目标。
三、从四款充电宝看去
历经数周的准备,充电头网(公众号:chongdiantou001)拆解了四款USB PD快充移动电源,对比了核心芯片,为我们呈现了诸多产业链信息。
这几款20000mAh USB-PD快速充电移动电源是市面上较为有代表性的产品,大家都各有特色,从售价上就决定了他们并非直接竞争对手,最早上市的ZMI紫米10号自然口碑最高,在iPhone 8还未发布前就因为任天堂switch支持PD充电而火了一波,紫米10号内建USB HUB,方便在充电的时候连接外设,紫米10号面向的用户群体较广,玩法多变,售价适中。而全汉PD20000则是性能怪兽,上市就要做到业界NO.1,80W输出65W输入实在是无人能敌,如果你想要一个性能最强的PD移动电源,那么全汉PD20000就是你的首选。
BestKEY 19500mAh主要走海外市场,国内见得不多。罗马仕sense6+则是为iPhone 8量身定做,它只支持18WPD充电,胜在售价百元出头可以让目标人群轻松买买买,也是几款产品里少有带MicroUSB 快充输入接口的,对旧设备用户十分友好。这几款USB PD移动电源个性都十分突出,相信大家看完后都可以根据自己需求选择到喜欢的一款产品。
1、随着手机、游戏机、笔记本等越来越多的设备支持USB PD充电,小容量的充电宝越来越显得不够用,80W甚至以后的100W大功率充放电也对充电宝的容量提出了要求,20000mAh容量成为未来主流选择之一。
2、新老接口、协议过渡期间,USB PD充电宝除了引进Type-C接口之外,仍将保留USB-A接口和MicroUSB接口,同时支持的快充协议也逐渐增多。
3、30W以下普通功率充电宝倾向于使用低成本、高集成、全兼容的方案,30W以上的高功率倾向于使用多颗芯片的组合方案,成本也更高。
4、从最开始的无国产芯片方案可用,到如今国产电源芯片独领风骚成为市场主流,USB PD的爆发促进了配套产业链的不断完善,对于整个行业以及用户来说都是极大利好。
5、国产芯片和进口芯片各有优势,呈百家争鸣之势。
6、最后,关于USB PD快充的落地普及,需要全产业链丰富应用设备和配套配件,搭建完善生态链,充电头网呼吁行业齐心,共同发力。
在充电头网公众号后台回复“移动电源拆解”,查看更多相关拆解报告。
————— 往 期 文 章 精 选 —————
第01期:扒开产业真相:全球四款热销无线充首拆
——— 充 电 头 网 精 选 专 题 ———