富满电子旗下云矽半导体专注研发USB PD相关产品,近年推出了一系列USB PD控制器。随着PD充电市场热度的提升,XPD5XX系列和XPD6XX系列零外围过认证PD控制器产品,在2019年第四季度累计销量超过五百万颗。
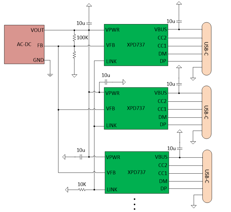
针对多个USB端口充电设备应用方案,云矽推出具有XPD-LINK功能的特色产品——XPD7X7系列。XPD-LINK互联技术让芯片之间通过单线总线传输信息,从而可以简单灵活的组合成多个Type-C和Type-A端口的充电方案。
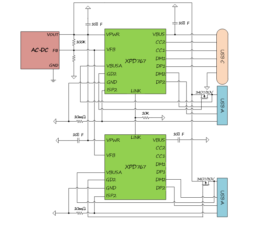
例如,用两颗XPD767通过XPD-LINK互联技术,可以实现一个USB-C和两个USB-A共享一路电源的应用。特别的,当Type-A口一直连接苹果充电线但未接入苹果手机时,Type-C口仍然有快充功能。
再例如,用多颗XPD737通过XPD-LINK互联技术,可以实现多路USB-C口共享一路电源的应用。稍作修改:将VFB连接至多路电源反馈网络,便可以实现多路USB-C口独立工作动态分配前端总额定功率的应用。
针对AC-DC适配器应用,云矽推出内置同步整流控制的副边全集成PD产品——XPD8XX系列。云矽XPD8XX系列产品内置高性能同步整流控制器,可以无缝切换工作在DCM断续、CCM连续以及QR临界模式下。同步整流控制器采用新颖的线性预测时序控制电路来预判SR电流过零瞬间,无需外部电流感测电路,从而对PCB噪声不敏感,支持自由选择同步整流MOS。
XPD818和XPD819实现了副边全集成,集成了恒压环路控制、同步整流控制器、高压同步整流MOS管、PD全快充协议控制器以及VBUS通路开关MOS管,最大程度减小副边PCB面积,为紧凑小尺寸适配器提供最佳方案。
XPD7XX系列与XPD8XX系列已开始量产,欢迎索取产品详细资料和样品。
联系人
刘先生,18682001696
以下热门话题可以点击蓝字了解,也可以在充电头网微信后台复如下关键词获取专题
「技术专题」
USB PD、QC、VOOC、DFH、Qi、GaN、POWER-Z
「拆解汇总」
1000篇拆解、无线充拆解、充电器拆解、移动电源拆解、车充拆解、充电盒拆解、氮化镓快充拆解、100W充电宝拆解、手机快充拆解、18W PD快充拆解
「优质资源」
充电器工厂、快充芯片、电源芯片、升降压芯片(充电宝)、升降压芯片(车充)、无线充芯片、充电盒芯片(有线)、充电盒芯片(无线)、户外电源、氮化镓快充、18W PD快充、
「原厂资源」
英集芯、智融、南芯、东科、芯茂微、环球、英诺赛科、威兆、诺威、永铭、云星、美芯晟、伏达
「快充工厂」
「品牌专区」
苹果、华为、小米、OPPO、vivo、荣耀、三星、ANKER、紫米、倍思、绿联
「展会报道」
USB PD亚洲展、无线充亚洲展、果粉嘉年华、香港展、AirFuel无线充电大会、CES展会
商务合作联系:info@chongdiantou.com