USB PD作为目前最火热的快充协议,是当之无愧的大势所趋。作为PD芯片领导厂商,英集芯近日发布业界首颗18W ESOP-8极简封装PD3.0认证芯片——IP6520,内置Buck controller,功率MOS和PD3.0等多种快充协议,应用于车充,充电器等产品,掀起新一轮PD快充普及风暴。
一、英集芯IP6520通过USB PD3.0认证
从USB-IF官网可查询到,英集芯IP6520在2020年5月4日正式通过了USB PD3.0认证,认证TID号:3277。
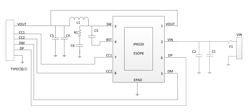
二、IP6520超简BOM
英集芯IP6520采用全集成SoC架构,全球首创无需路径MOS,硬件化协议设计满足PD3.0认证,极大的优化系统成本和效率。IP6520应用外围电路异常简洁,只需要7颗阻容元件+1颗电感,即可实现18W PD认证。
三、IP6520 内置多种主流快充协议
英集芯IP6520支持Type-C接口输出,集成各种快充协议,可以通过CC1/CC2或DP/DM来自动识别输出端接入设备所支持的快充协议,自动调整输出电压和电流。IP6520支持的快充协议包括苹果、BC1.2快充协议、高通QC2.0/QC3.0、华为快充协议FCP和华为最新高压SCP,三星快充协议AFC, USB PD2.0/ PD3.0(PPS)输出协议等
四、无缝升级
IP6520引脚定义兼容英集芯2017年推出的经典爆款型号IP6510,已量产的IP6510板子无需改动,即可无缝升级。
五、芯片原厂PD认证之最
英集芯科技始终专注打造于高性能、高品质的电源SOC芯片,作为快充的芯片解决方案领先企业,英集芯已成为所有芯片厂商中取得PD认证最多的本土电源芯片公司。
迄今为止,一共有9款芯片通过了USB-IF PD认证,产品涵盖协议芯片IP2218、IP2712、IP2712T、IP2716DRP、IP2723T、IP2726,全集成车充芯片IP6520,全集成移动电源芯片IP5358、IP5339,持续为广大用户打造最新高效的PD解决方案。
以下热门话题可以点击蓝字了解,也可以在充电头网微信后台回复如下关键词获取专题
「技术专题」
USB PD、QC、VOOC、DFH、Qi、GaN、POWER-Z
「拆解汇总」
1000篇拆解、无线充拆解、充电器拆解、移动电源拆解、车充拆解、充电盒拆解、氮化镓快充拆解、100W充电宝拆解、手机快充拆解、18W PD快充拆解
「优质资源」
充电器工厂、快充芯片、电源芯片、升降压芯片(充电宝)、升降压芯片(车充)、无线充芯片、充电盒芯片(有线)、充电盒芯片(无线)、户外电源、氮化镓快充、18W PD快充、30W PD快充
「原厂资源」
英集芯、智融、南芯、东科、芯茂微、茂睿芯、环球、英诺赛科、威兆、诺威、永铭、云星、美芯晟、伏达、微源
「快充工厂」
「品牌专区」
苹果、华为、小米、OPPO、vivo、荣耀、三星、ANKER、紫米、倍思、绿联
「展会报道」
USB PD亚洲展、无线充亚洲展、果粉嘉年华、香港展、AirFuel无线充电大会、CES展会
商务合作联系:info@chongdiantou.com