以下文章来源于慧能泰半导体 ,作者hynetek
慧能泰半导体专注于智慧能源控制技术,主要面向智能快充和数字能源领域,提供高性能数模混合芯片产品。目前,慧能泰已完成了围绕USB Type-C生态链的整体产品布局。
近日,慧能泰Hynetek发布了世界上最简的USB PD Sink(PD受电端芯片,也叫PD诱骗芯片)芯片HUSB238,传输的额定功率最高可达100W。HUSB238兼容PD3.0 V1.3和Type-C V1.4。它还可以支持BC1.2 DCP、CDP和SDP和Apple 5V2.4A充电协议。它可以用于具有传统桶连接器或USB micro-B电源连接器的电子设备,如无线充电器、无人机、物联网设备、智能扬声器、电动工具、智能家居、小家电和其他设备。HUSB238支持3mmx3mm DFN-10L封装,后续还有6 pin的更简封装类型可供选择。
这种方案也被称为桶形连接器替换(Barrel Connector Replacement,BCR),旨在替代传统的桶形连接器和DC插座(DC JACK)。随着USB-C的流行,越来越多的桶形连接器正在转换成USB-C连接器,并实现USB PD快充。这样的转换具有以下诸多优点:
大一统的充电接口, 充电器接口全兼容,给消费者带来极大的便利。
减少电子垃圾。全球每年生产逾一百万吨充电器,欧盟等组织已经立法减少电子垃圾。
标准化设计,节省工程开发的Time-To-Market,节约研发成本。
电源和数据通道统一,可以实现小型化并降低成本。
图1. USB-C 连接器正在替代传统的桶形连接器
HUSB238产品主要特点有:
USB-IF 认证 TID 3666
USB PD sink 控制器
支持Type-C 1.4 & USB PD3.0标准
传统的USB受电设备,BC1.2 SDP, CDP和DCP 检测,Apple Divider 3 检测等
3.0 至 25V 工作电压范围,
VIN,GATE最高耐压30V,CC1 和 CC2 引脚25V高压保护
外部电阻网络设置动态申请电流电压值(VSET & ISET)
I2C 通信实现高级PDO申请
Cable应用可模拟eMarker功能,适用于电流大于3A应用
集成负载开关驱动,可驱动PMOS或者负载开关芯片
VBUS过压和欠压保护
过温保护,过温保护门限可配置
低工作功耗
工作温度范围:-40°C - 125°C
图2. HUSB238封装
图3. HUSB238参考原理图
HUSB238的主要优点如下图所示:
图4. HUSB238优点
HUSB238已经取得USB-IF的PD3.0认证,TID为3666,在兼容性、可靠性和性能等各方面表现优异。在慧能泰实验室125°C高温环境下,HUSB238经受住了十万次以上0V-25V快速电压浪涌冲击。
图5. HUSB238 眼图性能
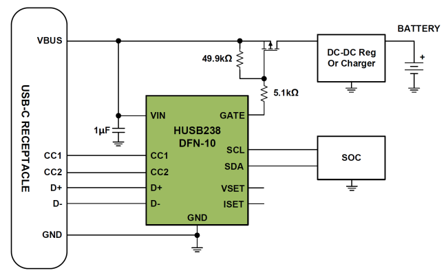
HUSB238系统图如图5所示。HUSB238与USB PD Source通信,通过USB-C连接器实现USB Type-C和PD握手。HUSB238能够控制负载开关,实现VBUS过压保护、欠压保护、过流保护和反向电流阻断。嵌入式控制器可以通过I2C接口访问HUSB238进行监控和高级设置。
图6. HUSB238 系统框图
HUSB238具有封装小(最小3mmx3mm)、管脚数量少(最少6 pin)、集成度高(最少只需要一颗电容)等特点,实现了BOM成本最小化,简化了设计,使开发人员能够快速设计他们的产品。通过HUSB238 Demo板,加速了从桶形连接器到USB-C连接器的转变,开发人员可以不需要固件开发的情况下快速开发出产品。
图7. HUSB238 Demo板
慧能泰还提供了用于设备端的PD诱骗模块,带USB-C母座。开发各类设备的工程师可以直接把PD诱骗模块与原有的供电系统连接,快速完成产品的升级和替换。慧能泰后续会提供详尽的技术支持,协助开发工程师完成产品的升级。
图8. PD诱骗模块(带USB-C母座)
除了之外,慧能泰提供了用于线缆转接的PD诱骗小板。该小板除了智能化PD诱骗、支持最大100W的PD诱骗功能之外,还支持eMarker功能和90°C过温保护功能。该小板特点如下:
5A电流输出
双层PCB结构,成本超低
小型化8mmx8mm PCB尺寸,厚度小
单面贴片
外围极简
图9. PD诱骗小板(带USB-C公头)
这两款样机都开放免费申请。用户填写好以下信息,通过公司邮箱发邮件到sales@hynetek.com邮箱,经审核通过即可免费申请一块PD诱骗模块(带USB-C母座)或两块PD诱骗小板(带USB-C公头)。限量供应,先申请先得。
联系方式:
电话:(86)755 86564099
邮箱:sales@hynetek.com
以下热门话题可以点击蓝字了解,也可以在充电头网微信后台回复如下关键词获取专题
「技术专题」
USB PD、QC、VOOC、DFH、Qi、GaN、POWER-Z
「拆解汇总」
1000篇拆解、无线充拆解、充电器拆解、移动电源拆解、车充拆解、充电盒拆解、氮化镓快充拆解、100W充电器拆解、100W充电宝拆解、手机快充拆解、18W PD快充拆解、大功率无线充拆解
「优质资源」
充电器工厂、氮化镓快充工厂、快充芯片、电源芯片、升降压芯片(充电宝)、升降压芯片(车充)、多口快充芯片、充电宝协议芯片、无线充芯片、充电盒芯片(有线)、充电盒芯片(无线)、户外电源、氮化镓快充、18W PD快充、30W PD快充
「原厂资源」
英集芯、智融、南芯、东科、芯茂微、茂睿芯、硅动力、环球、美思迪赛、富满-云矽、亚成微、英诺赛科、纳微、威兆、诺威、永铭、云星、科尼盛、特锐祥、美芯晟、伏达、贝兰德、微源
「快充工厂」
「品牌专区」
苹果、华为、小米、OPPO、vivo、荣耀、三星、mophie、ANKER、紫米、倍思、绿联、CHOETECH、ZENDURE
「展会报道」
USB PD亚洲展、无线充亚洲展、果粉嘉年华、香港展、AirFuel无线充电大会、CES展会
商务合作联系:info@chongdiantou.com