随着今年苹果发布iPhone12系列,包括在售的老款机型都全面取消了适配器,随机数据线改为USB-C to Lightning线缆,引爆了20W PD快充充电器市场。为此,天德钰发布了一款全新的协议芯片JD6606S抢占市场。
天德钰JD6606S协议芯片通过了USB PD 3.0认证,TID:3768。这是一颗高性能和高兼容性的快充协议芯片,采用CPC-16L封装,支持USB PD3.0快充之外,还包括支持QC3+、QC3.0、QC2.0、AFC、FCP、SCP以及APPLE 2.4A等主流的充电协议。
天德钰JD6606S提供恒压恒流控制,支持多口输出控制,支持输出过压,过流保护,并且集成VBUS放电功能,输出协议由电阻灵活配置,并且支持多口输出降功率,支持最大60W到最小18W输出,满足主流PD适配器输出。
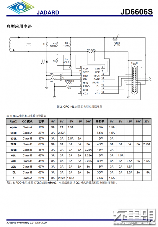
天德钰JD6606S应用电路图及设定电阻与输出功率对应表,多口降功率输出有多个档位,适合不同需求。
充电头网拿到搭载了天德钰JD6606S的20W PD快充充电器,下面对其性能进行简单测试。
使用ChargerLAB POWER-Z KT002检测USB-C口输出协议,显示支持Apple 2.4A、Samsung 5V2A、DCP协议,以及QC2.0/3.0、AFC、FCP、SCP、PD3.0多个快充协议。
PDO报文显示USB-C口具备5V3A和9V2.22A两组固定电压档位,与苹果原装20W PD快充的PDO一致,支持最大20W快充输出。
使用该方案给iPhone12充电,测得充电电压9V,电流2.18A,充电功率约为19.7W,成功进入20W PD快充状态。
为iPhone12 Pro充电,电压9V,电流2.18A,充电功率约为19.66W,成功进入20W充电。以上测试显示天德钰JD6606S完美适配iPhone12系列快充。
充电头网总结
天德钰JD6606S是一颗功能强大,协议支持全面,外围精简的协议IC,内部预置的输出档位可以由电阻设定选择,无需编程烧录,只要确定好输出规格和功率,选择好对应的设置电阻,即可批量生产,简化生产工序。如今随着20W PD快充适配器需求井喷,天德钰JD6606S为PD适配器协议芯片提供了全新的选择,不仅20W可以用,最高可以支持到60W,还支持多口协同输出,功能非常强大。天德钰JD6606S现已进入众多电源厂商供应链,并已批量出货。
天德钰公司创建于2010年,为富士康科技集团旗下核心的集成电路设计成员。公司立足中国市场,面向全球发展,为客户提供手机、穿戴装置、智能音响、新零售等众多HCI人机互动应用领域芯片。公司产品涵盖智能移动终端显示屏驱动芯片、摄像头音圈马达驱动芯片、快速充电协议芯片、电子价签驱动芯片及解决方案等。
温馨提示
充电头网
以下热门话题可以点击蓝字了解,也可以在充电头网微信后台回复如下关键词获取专题
「技术专题」
USB PD、QC、VOOC、DFH、Qi、GaN、POWER-Z
「拆解汇总」
1000篇拆解、无线充拆解、充电器拆解、移动电源拆解、车充拆解、充电盒拆解、氮化镓快充拆解、100W充电器拆解、100W充电宝拆解、手机快充拆解、18W PD快充拆解、20W PD快充拆解、大功率无线充拆解
「优质资源」
充电器工厂、氮化镓快充工厂、快充芯片、电源芯片、升降压芯片(充电宝)、升降压芯片(车充)、多口快充芯片、充电宝协议芯片、无线充芯片、充电盒芯片(有线)、充电盒芯片(无线)、户外电源、氮化镓快充、20W PD快充、30W PD快充
「原厂资源」
英集芯、智融、南芯、东科、芯茂微、茂睿芯、硅动力、环球、美思迪赛、富满-云矽、亚成微、英诺赛科、纳微、威兆、诺威、MDD、永铭、云星、科尼盛、特锐祥、美芯晟、伏达、贝兰德、微源
「快充工厂」
「品牌专区」
苹果、华为、小米、OPPO、vivo、荣耀、三星、mophie、ANKER、紫米、倍思、绿联、CHOETECH、ZENDURE
「展会报道」
USB PD亚洲展、无线充亚洲展、果粉嘉年华、香港展、AirFuel无线充电大会、CES展会
商务合作联系:info@chongdiantou.com