前言
2022 年 6 月 23 日,国家能源局综合司发布了关于征求《防止电力生产事故的二十五项重点要求(2022年版)(征求意见稿)》意见的函,向各相关单位征集研提意见,完善《防止电力生产事故的二十五项重点要求(2022年版)》(以下简称为《重点要求》)的进一步修订。
此次发布的《重点要求》在条例 2.12.1 中明确标注了:中大型化学储能电站不得选用三元锂电池、钠硫电池,不宜选用梯次利用动力电池;选用梯次利用动力电池时,应进行一致性筛选并结合溯源数据进行安全评估。
英集芯磷酸铁锂解决方案
锂离子电池由正极材料、负极材料、隔膜、电解液四个部分组成,主要按照正极材料的不同进行分类。在储能领域,目前应用较为广泛的是采用磷酸铁材料的磷酸铁锂电池,和采用三元材料的三元锂电池。
相比三元锂电池,磷酸铁锂电池在遭受短路、挤压、针刺等意外情况时,依旧稳定安全,不易起火爆炸;磷酸铁锂电池还具备较好的快速充电特性,可实现 3C~5C 的高倍率充放电,对过充过放电的承受能力也更强。
磷酸铁锂电池中的正极磷酸铁材料以铁为主要原料,重金属与稀有金属等占比较少,不仅成本可以做到更低,而且无毒性,对环境污染更小;磷酸铁材料同时还具备长寿命的特点,在进行至少 1500 次循环后储电量仍能保持≥80%。
磷酸铁锂电池与三元锂电池的工作电压范围不同,市面上当前绝大多数锂电管理芯片均针对三元锂电池设计,不太适用磷酸铁锂电池。
此外,多串磷酸铁锂电池在实际应用时,需要配合锂电保护新品的电池均衡功能,降低电压过高电池的充电电流,让亏电的电池得到全部充电电流,使电池的电压达到一致,从而使串联电池组中每一节电池都能充满电。
英集芯作为国内锂电池电源管理芯片的领导者,响应市场潮流趋势,针对磷酸铁锂电池应用,推出了一系列的解决方案。
充电芯片
英集芯目前推出了 IP2325、IP2326、IP2365、IP2301 四款充电管理IC,涵盖 1~4 串磷酸铁锂电池充电应用。
英集芯IP2325
英集芯 IP2325 是一款支持2-3节串联锂电池/锂离子电池的升压充电管理 IC,集成功率 MOS,采用同步开关架构,使其在应用时仅需极少的外围器件,并有效减小整体方案的尺寸,降低 BOM 成本;支持充电NTC 温度保护、IC 过温保护、输出过流、过压、短路保护。支持磷酸铁锂电池最低2.5V的充电电压。
英集芯 IP2325 采用 ESOP8 封装,输入耐压20V,支持15W 输入同步开关升压充电;升压开关充电转换器工作频率 500KHz,可支持 2.2uH 电感;在 5V 输入,8V/1.2A 输出时转换效率达 93%;具有输入限压功能,可以智能调节充电电流,自适应适配器负载能力;支持外接电阻来调整充电电压。
英集芯IP2326
英集芯 IP2326 是一款内部集成充电均衡功能的2/3串锂电池升压充电IC,内部集成开关管,可通过QC3.0根据电池电压动态调节输入电压以优化升压转换效率。支持单灯充电状态指示,输入耐压25V,支持NTC电池温度检测,支持输入欠压,过压保护和充电超时保护。IP2326 用于2串充电时,可提供充电均衡功能。
英集芯 IP2326 充电管理芯片特写。
值得一提的是,英集芯 IP2326 还可用于2串锂电代替9V供电的万用表电池。使用5V升压充电,通过自带均衡功能,放电电池直接输出。相比5V线性充电再升压的设计,效率大幅提升且放电无干扰。
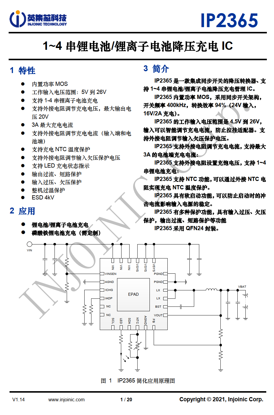
英集芯IP2365
英集芯 IP2365是一款集成同步降压开关的降压转换器、支持1~4 串三元锂电池/磷酸铁锂电池降压充电管理IC。内臵功率MOS,采用同步开关架构,开关频率400kHz,在 24V 输入,16V/2A 输出时,转换效率达 94%。可用于20V固定电压输入的场合,也可用于充电座充使用。
英集芯 IP2365 支持5到26V电压输入,最大输出电流3A,输入电流和充电电流可由电阻设置,支持NTC电池温度检测,支持输入过压、欠压保护,支持单灯充电状态指示,电池节数由电阻设定,输出支持过流保护和短路保护,内置软启动功能及输入电流自适应调节功能。
英集芯IP2301
英集芯 IP2301 是一款高集成度、高性能的支持 1~3节三元锂电池/磷酸铁锂电池充电的线性充电器。IP2301 具有涓流充电、恒流和恒压充电三种充电过程,IP2301线性充电器具有非常灵活的配置,可编程充电电流最大到1A、其充电电压精度可达±0.5%。
英集芯 IP2301 允许出厂配置预充电电流/截止电流/CV 电压和输入过压保护门限,其集成高压输入保护电路可以承受高达 38V的输入浪涌电压。IP2301具有电池温度 NTC 监测、充电超时保护、输入过压、电池过压、热保护和状态指示等功能。
保护芯片
英集芯目前推出了 IP3102、IP3112、IP3221、IP3232、IP3254、IP3255 六款锂电保护芯片,全系列均支持磷酸铁锂电池,过放保护电压最低2.0V。
英集芯IP3102
英集芯 IP3102 提供一种用于单节锂离子/聚合物可充电电池的初级保护的解决方案。芯片集成了聚合物可充电电池安全运行所需的所有保护检测和控制;保护功能包括放电过流、充电过流、过充、过放电池的检测和保护。
英集芯 IP3102 正常工作仅需要 1uA 左右的工作电流,可承受高达 28V 的浪涌电压。其工作在-40℃~+85℃的温度范围内,大大拓宽了芯片的使用条件。采用小而薄的 DFN6 1.6x1.6mm封装,便于小型电池包装设计。
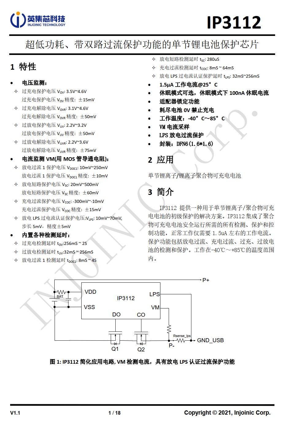
英集芯IP3112
英集芯 IP3112 是一款超低功耗、带双路过流保护功能的单节锂电池保护芯片,提供一种用于单节锂离子/聚合物可充电电池的初级保护的解决方案;芯片集成了聚合物可充电电池安全运行所需的所有检测、保护和控制功能;保护功能包括放电过流、充电过流、过充、过放电池的检测和保护。
英集芯 IP3112 正常工作电流仅 1.5uA 左右,可选休眠模式,休眠电流 100mA;工作在-40℃~+85℃的温度范围内,大大拓宽了芯片的使用条件;采用小而薄的 DFN6 1.6x1.6mm封装,便于小型电池包装设计。
英集芯IP3221
英集芯 IP3221 是一款低功耗电池组保护器,用于2节串联锂离子/聚合物可充电电池的初级保护的解决方案。该产品集成了聚合物可充电电池安全运行所需的一整套的电压、电流的所有检测和保护。保护阈值和延时均为出厂编程设定,有多种配置可供选用。
英集芯 IP3221 采用 SOT23-6 封装,耐压最高 26V,工作电压范围 2V~12V,工作温度范围 −40°C~+85°C,集成独立充电(CHG)和放电(DSG)FET 驱动器,正常模式电流 5uA,休眠模式电流 0.1uA。
英集芯IP3232
英集芯 IP3232 是一款低功耗电池组保护器,用于 2~3 节串联锂离子/聚合物可充电电池的初级保护的解决方案。该产品集成了聚合物可充电电池安全运行所需的一整套的电压、电流和温度所有检测和保护;保护阈值和延时均为出厂编程设定,有多种配置可供选用。
英集芯 IP3232 采用 DFN10(0303) 封装,VDD 工作电压范围 3V~24V,工作温度范围 −40°C~+85°C,最高耐压 28V,支持断线检测、充放电状态检测,可选休眠功能、过放电负载锁定功能、充放电可外部控制CTL 功能。
英集芯IP3254
英集芯 IP3254 是用于3节/4节串联锂离子/聚合物可充电电池保护的 IC。系列内置高精度电压检测电路和延迟电路,通过 SEL 端子实现3节/4节电池切换;芯片支持高精度电压检测保护、充电过流保护。
英集芯 IP3254 电池保护芯片特写。
英集芯 IP3254 采用 TSSOP16 封装,支持三段过流检测、断线检测功能,内置均衡电路,不需要任何外围元件即可实现电池充放电均衡;并且还可以外扩 MOS 管增大均衡电流,工作电流仅 35µA(含 15uA 充电mos 驱动电流),休眠模式电流仅 3.5µA。
英集芯IP3255
英集芯 IP3255 是用于3节/4节串联锂离子/聚合物可充电电池保护的 IC,系列内置高精度电压检测电路和延迟电路,通过 SEL 端子实现3节/4节电池切换 ,内置高精度电压检测保护、充电过流保护、充放电 NTC 高低温保护功能。
英集芯 IP3255 采用 TSSOP16 封装,支持三段过流检测、断线检测功能,内置均衡电路,并且还可以外扩 MOS 管增大均衡电流,工作电流仅 35µA(含 15uA 充电mos 驱动电流),休眠模式电流 5µA。
升降压芯片
英集芯目前推出了 IP2368、IP5389、IP5386 3款升降压芯片,支持磷酸铁锂电池大功率双向快充应用。
英集芯IP2368
英集芯 IP2368 是一款集成 AFC/FCP/PD2.0/PD3.0 等输入输出快充协议和同步升降压转换器的锂电池充放电管理芯片,内置四管H桥同步升降压开关管驱动,可自动申请快充以最大功率充电,输入端支持5-20V电压,通过升降压电压转换,自动切换升压或降压,调节输出电压为多串电池组充电,还支持最大100W的反向放电输出。
英集芯 IP2368 升降压芯片特写。
英集芯 IP2368 支持使用2-6节串联的电池组,电池充满电压支持电阻设置,适配磷酸铁锂和三元锂电池,充分满足不同设备的电池种类。IP2368默认支持四灯电量指示,电池组初始容量可通过电阻配置,可实现精准的电量显示。采用QFN7*7mm-48封装,相比传统升降压方案更加节省空间。
英集芯IP5389
英集芯 IP5389 是一款集成多种快充协议、同步双向升降压转换器、锂电池充电管理、电池电量指示等多功能的电源管理 SOC,为快充移动电源提供完整的电源解决方案。可同时支持 USB A x2, USB C, USB B(或 lightning 口,或 USB C)四个 USB 口,单独使用任何一个 USB口都可以支持快充,同时使用两个及以上输出口时,只支持5V。
英集芯 IP5389 升降压芯片特写。
英集芯 IP5389 支持 2/3/4/5 节串联电芯,同步开关升降压系统可提供最大 100W 功率输入输出。空载时,自动进入休眠状态。应用时只需一个电感实现双向降升压功能,在应用时仅需极少的外围器件,有效减小整体方案的尺寸,降低 BOM 成本。芯片的同步开关充电系统,可提供高达 8.0A 充电电流。内置 IC 温度、电池温度和输入电压控制环路,智能调节充电电流。
英集芯IP5386
英集芯 IP5386 是一款集成多种快充协议、同步双向升降压转换器、锂电池充电管理、电池电量指示等多功能的电源管理SOC,为快充移动电源提供完整的电源解决方案。IP5386 可同时支持 USB-A x2, USB-C,Lightning 口四个USB 口,单独使用任何一个USB口都可以支持快充,同时使用两个及以上输出口时,只支持 5V 输入输出。
英集芯 IP5386 支持 2 节、3 节、4 节串联电池,同步开关升降压系统可提供最大 45W 的输入输出功率,轻载时自动进入休眠状态。 应用时仅需极少的外围器件,只需一个电感实现双向升降压功能,有效减小整体方案的尺寸,降低BOM 成本。芯片的同步开关充电系统,提供高达8A 充电电流,内置芯片温度、电池温度和输入电压控制环路,智能调节充电电流。
充电头网总结
电池作为与人们生产生活息息相关的储能装置,其安全性应当作为首要考虑因素,此次《重点要求》的出台,在中大型化学储能电站中对三元锂电池和钠硫电池做出禁用限制,无疑是对磷酸铁锂电池应用的一个重大利好,市场对磷酸铁锂电池的需求也将迎来增长。
安全、循环寿命长、支持快速充放电、成本低廉作为磷酸铁锂电池的四大优势,使其更加适合在户外电源等集中式储能场景中使用。英集芯面向磷酸铁锂电池应用,推出的充电芯片、保护芯片、升降压芯片组成的全套解决方案,将加速磷酸铁锂电池的普及。
相关阅读:
1、IP6550+IP2723T上佳拍档,英集芯新款双C口充电器方案问世
2、支持一芯双充,英集芯IP6537双USB-C口快充方案登场
3、新款双C口充电器方案亮相,采用英集芯IP2738和PI电源芯片
4、全面适配双C口充电器,英集芯快充协议芯片IP2738登场
5、支持太阳能输入,英集芯两款户外电源升降压芯片升级MPPT功能
「峰会报名」
2022(春季)亚洲充电展期间热门峰会开启报名
以下热门话题可以点击蓝字了解,也可以在充电头网微信后台回复如下关键词获取专题
「电源芯片」
南芯、英集芯、智融、茂睿芯、必易微、美芯晟、杰华特、华源、硅动力、富满云矽、芯海、天德钰、贝兰德、力生美、创芯微、稳先微、宝砾微、东科、易冲、拓尔微、恒成微
「被动器件」
「氮化镓」
纳微、英诺赛科、聚能创芯、能华、威兆、镓未来、微硕、Elevation
「连接器」
「快充工厂」
「品牌专区」
苹果、华为、公牛、mophie、绿联、航嘉、TRüKE充客、机乐堂、爱国者、魔栖、TECLAST台电、图拉斯、Mcdodo麦多多、MOMAX
商务合作联系:info@chongdiantou.com