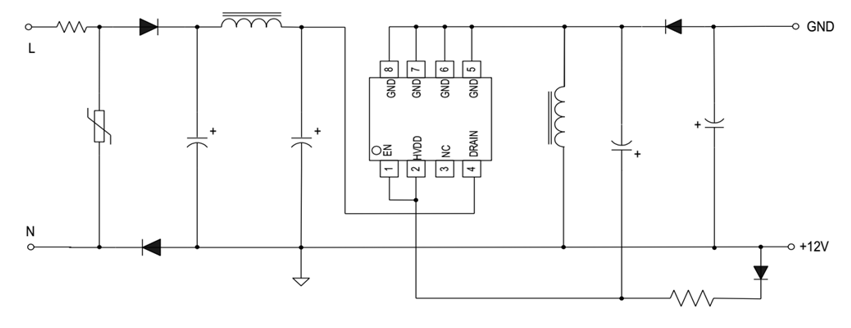
本公司想设计一款芯片,需要模拟芯片设计/电源管理芯片设计服务,不知道去哪儿找到靠谱供应商?
本期我们提供模拟IP/芯片设计的专业服务。
点击链接可以了解-
01 《我有模拟芯片设计需求》
03 《供需平台丨先进AP设计方案需求对接上线》
END
推荐阅读:
关于摩尔精英
摩尔精英致力于“让中国没有难做的芯片”,以 “芯片设计云、供应链云、人才云”三大业务板块,打通芯片设计和流片封测的关键环节,提高效率、缩短周期、降低风险,打造芯片设计和供应链整合的一站式平台,客户覆盖全球1500家芯片公司。
芯片设计云为客户提供从芯片定义到产品的Turnkey全流程设计服务和IT/CAD及云计算服务;供应链云为客户提供一站式晶圆流片、封装、测试、产品工程及量产管理服务;人才云为行业培养输送专业人才并助力IC人才终生学习。
摩尔精英总部位于上海,在合肥、北京、深圳、无锡、郑州、重庆、成都、南京、新竹、法国尼斯、美国达拉斯和硅谷等地有分部。