点击左上角"MDPI工程科学"关注我们,为您推送更多最新资讯。
Electronics 十周年特刊——“10th Anniversary of Electronics: Advances in Circuit and Signal Processing (Electronics 十周年:电路与信号处理的进展)”由意大利帕尔马大学的Prof. Dr. Paolo Colantonio教授和佛罗伦萨大学的Alessandro Cidronali共同创建,旨在为广大学者提供一个平台,以交流、探讨有关电路与信号处理的最新进展。
本期为大家精选了本特刊中六篇文章,内容涵盖模拟和数字集成电路及系统、信号处理理论与方法、电力和能源电路和系统、非线性电路与系统、纳米电子学和蜂窝网络等。希望能为相关领域学者提供新的思路和参考,欢迎阅读。
01
A 3rd-Order FIR Filter Implementation Based on Time-Mode Signal Processing
基于时间模式信号处理的三阶FIR滤波器的实现
Orfeas Panetas-Felouris and Spyridon Vlassis
https://www.mdpi.com/1542186
文章亮点:
(1) 本文介绍了基于时间模式信号处理电路的三阶低通有限脉冲响应 (FIR) 滤波器的硬件实现。
(2) 仿真结果验证了理论分析。FIR滤波器在50 KHz的输入频率下实现了38.6 dB的信噪加失真比 (SNDR),功耗约为200 μW。
(3) 这种滤波器设计在时间模式信号处理方面优点很多,其实现了输出与采样频率同步,可创建更高阶的滤波器,此外,与数字电路的兼容性使其成为广泛应用于最先进拓扑中全数字拓扑的完美候选者。
识别二维码
阅读英文原文
原文出自Electronics 期刊:
Panetas-Felouris, O.; Vlassis, S. A 3rd-Order FIR Filter Implementation Based on Time-Mode Signal Processing. Electronics 2022, 11, 902.
02
Small Group Delay Variation and High Efficiency 3.1–10.6 GHz CMOS Power Amplifier for UWB Systems
用于UWB系统的小群延迟变化和高效3.1–10.6 GHz CMOS功率放大器
Mayar Ali, Hesham F. A. Hamed and Ghazal A. Fahmy
https://www.mdpi.com/1459524
文章亮点:
(1) 本文提供并模拟了采用建议的电阻-电容 (RC) 级间的两级级联功率放大器 (PA)。
(2) 第一级采用电流复用拓扑以降低功耗,这有助于丰富增益平坦度和宽带匹配;第二级采用共源配置中的并联峰化拓扑,以提高功率增益。
(3) 仿真使用TSMC 65 nm CMOS工艺,在3.1 GHz至10.6 GHz的频带内运行。结果表明,在所需的工作频带上实现了大约22.8 ± 1.2 dB的高平坦增益、±50 ps的小群延迟变化以及小于-10 dB的良好输入和输出匹配。
识别二维码
阅读英文原文
原文出自Electronics 期刊:
Ali, M.; Hamed, H.F.A.; Fahmy, G.A. Small Group Delay Variation and High Efficiency 3.1–10.6 GHz CMOS Power Amplifier for UWB Systems. Electronics 2022, 11, 328.
03
Adaptive Noise-Resistant Low-Power ASK Demodulator Design in UHF RFID Chips
UHF RFID芯片中的自适应抗噪低功耗ASK解调器设计
Yao-Hua Xu et al.
https://www.mdpi.com/1412508
文章亮点:
(1) 本文介绍了一种用于超高频 (UHF) 射频识别 (RFID) 标签芯片的新型信号解调器。
(2) 该解调器适用于解调900 MHz的高频信号,数据速率为128 Kbps,工作温度最高可达78 ℃。输入信号的峰值为1.2 V,功耗低至113.6 nW。
(3) 该解调器通过两个包络检测器向比较器提供迟滞输入信号,用于解调幅移键控 (ASK) 调制信号,具有抗噪性高、输入范围大、功耗低等优点。
识别二维码
阅读英文原文
原文出自Electronics 期刊:
Xu, Y.-H.; Yang, S.; Li, H.; Lv, J.-M.; Bai, N. Adaptive Noise-Resistant Low-Power ASK Demodulator Design in UHF RFID Chips. Electronics 2021, 10, 3168.
04
S Band Hybrid Power Amplifier in GaN Technology with Input/Output Multi Harmonic Tuned Terminations
采用GaN技术的S波段混合功率放大器,具有输入/输出多谐波调谐终端
Sandro Ghisotti, Stefano Pisa and Paolo Colantonio
https://www.mdpi.com/1279550
文章亮点:
(1) 本文描述了采用GaN技术和混合形式的S波段多谐波调谐功率放大器的设计、制造和测量。
(2) 以混合形式设计的放大器可用于商用CREE设备,应用于5G的功率放大。
(3) 本文中报告和记录的值是迄今为止所选设备在Pout和BW方面达到的最佳值。
识别二维码
阅读英文原文
原文出自Electronics 期刊:
Ghisotti, S.; Pisa, S.; Colantonio, P. S Band Hybrid Power Amplifier in GaN Technology with Input/Output Multi Harmonic Tuned Terminations. Electronics 2021, 10, 2318.
05
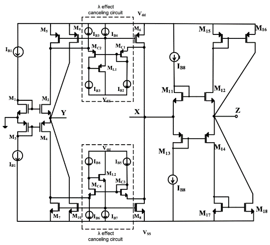
Towards Realization of a Low-Voltage Class-AB VCII with High Current Drive Capability
实现具有高电流驱动能力的低电压AB类VCII
Leila Safari et al.
https://www.mdpi.com/1277812
文章亮点:
(1) 本文介绍了具有高电流驱动能力的低电压AB类第二代电压传送器 (VCII)。
(2) 通过基于TSMC 0.18 µm CMOS技术参数和±0.9 V电源电压的SPICE仿真验证了所提出VCII的操作。
(3) 简单的实现方法和良好的整体性能是所提出电路的主要特点。在VCII的Y、X和Z端口以及低电压操作中可实现高信号摆幅和高线性度。
识别二维码
阅读英文原文
原文出自Electronics 期刊:
Safari, L.; Barile, G.; Stornelli, V.; Minaei, S.; Ferri, G. Towards Realization of a Low-Voltage Class-AB VCII with High Current Drive Capability. Electronics 2021, 10, 2303.
06
Circuit Model and Analysis of Molded Case Circuit Breaker Interruption Phenomenon
模制盒式断路器的电路模型及中断现象分析
Kun-A Lee, Young-Maan Cho and Ho-Joon Lee
https://www.mdpi.com/910330
文章亮点:
(1) 本文基于模制盒式断路器 (MCCB),将MCCB中断分为三个部分,提出了考虑各截面特性的带电阻和齐纳二极管的电路模型。
(2) 仿真结果与实验结果表明,整个系统,包括中断现象,可解释为一个单一的电路模型。
(3) 该电路模型可以为未来电弧的行为分析和能量消耗的详细建模奠定基础。
识别二维码
阅读英文原文
原文出自Electronics 期刊:
Lee, K.-A.; Cho, Y.-M.; Lee, H.-J. Circuit Model and Analysis of Molded Case Circuit Breaker Interruption Phenomenon. Electronics 2020, 9, 2047.
往期回顾
版权声明:
*本文由MDPI中国办公室及特约撰稿人翻译撰写,文中涉及到的论文翻译部分,为译者在个人理解之上的概述与转达,论文详情及准确信息请参考英文原文。本文遵守 CC BY 4.0 许可 (https://creativecommons.org/licenses/by/4.0/)。如需转载,请于公众号后台留言咨询。
由于微信订阅号推送规则更新,建议您将“MDPI工程科学”设为星标,便可在消息栏中便捷地找到我们,及时了解最新开放出版动态资讯!
点击左下方“阅读原文”,进入期刊主页。
期待您的“三连击”☞【分享,点赞,转发】